| Общая информация | |||
Стандарты и положения |
|||
изготовлены и испытаны в соответствии с требованиями |
IEC/EN 61558-2-2/2-4/2-6 VDE 0570 часть 2-2 VDE 0570, часть 2-6 (защитные трансформаторы) VDE 0570 Teil 2-4 (разделительные трансформаторы) |
||
применяется после |
IEC/EN 60204-1, OVE-EN 13 VDE 0113, VDE 0100 часть 410 |
||
Температура окружающей среды |
-25 - 40 | ||
| Характеристики | |||
Соединительные клеммы |
? (< 115 A) | ||
Соединительные шины |
? (> 115 A) | ||
Класс изоляции |
B | ||
Номинальная частота |
Гц | 50 - 60 | |
Отвод первичный |
± 5 % | ||
Класс защиты |
IP00 | ||
Раздельные обмотки |
? | ||
в сборе с вакуумной пропиткой |
? | ||
усиленная изоляция. |
? | ||
Номинальная продолжительность включения |
% продолжительность включения | 100 | |
| электрические параметры | |||
Примечание |
На значения потерь холостого хода, потерь при коротком замыкании, напряжения короткого замыкания и коэффициента полезного действия распространяется правило: все данные относятся к температуре 20 °C | ||
Общий вес |
кг | 3 | |
Потери на холостом ходу |
W | 11 | |
Потери в результате короткого замыкания |
W | 17 | |
напряжение короткого замыкания |
% | 6.6 | |
Коэффициент полезного действия |
0.88 |
Технические характеристики для подтверждения типа конструкции |
|||
Номинальный ток для указания потери мощности |
In | A | 0 |
Потеря мощности на полюс, в зависимости от тока |
Pvid | W | 0 |
Потеря мощности оборудования, в зависимости от тока |
Pvid | W | 0 |
Статическая потеря мощности, не зависит от тока |
Pvs | W | 28 |
Способность отдавать потери мощности |
Pve | W | 0 |
Мин. рабочая температура |
°C | -25 | |
Макс. рабочая температура |
°C | 40 | |
Проверка конструкции IEC/EN 61439 |
|||
10.2 твёрдость материалов и деталей |
|||
10.2.2 Коррозионная стойкость |
Требования производственного стандарта выполнены. | ||
10.2.3.1 Нагревостойкость изоляции |
Требования производственного стандарта выполнены. | ||
10.2.3.2 Сопротивление изоляционных материалов при обычном нагреве |
Требования производственного стандарта выполнены. | ||
10.2.3.3 Сопротивление изоляционных материалов при сильном нагреве |
Требования производственного стандарта выполнены. | ||
10.2.4 Устойчивость к ультрафиолетовому излучению |
Требования производственного стандарта выполнены. | ||
10.2.5 Подъём |
Не имеет значения, поскольку необходимо оценить всё коммутационное оборудование. | ||
10.2.6 Испытание на удар |
Не имеет значения, поскольку необходимо оценить всё коммутационное оборудование. | ||
10.2.7 Ярлыки |
Требования производственного стандарта выполнены. | ||
10.3 Класс защиты изоляции |
Не имеет значения, поскольку необходимо оценить всё коммутационное оборудование. | ||
10.4 Воздушные промежутки и пути утечки тока |
Требования производственного стандарта выполнены. | ||
10.5 Защита от удара электрическим током |
Не имеет значения, поскольку необходимо оценить всё коммутационное оборудование. | ||
10.6 Монтаж оборудования |
Не имеет значения, поскольку необходимо оценить всё коммутационное оборудование. | ||
10.7 Внутренние электрические цепи и соединения |
Находится в сфере ответственности компании, монтирующей распределительные устройства. | ||
10.8 Подключения проводов, введённых снаружи |
Находится в сфере ответственности компании, монтирующей распределительные устройства. | ||
10.9 Свойства изоляции |
|||
10.9.2 Электрическая прочность при рабочей частоте |
Находится в сфере ответственности компании, монтирующей распределительные устройства. | ||
10.9.3 Прочность по отношению к импульсному напряжению |
Находится в сфере ответственности компании, монтирующей распределительные устройства. | ||
10.9.4 Проверка оболочек кабелей из изолирующего материала |
Находится в сфере ответственности компании, монтирующей распределительные устройства. | ||
10.10 Нагрев |
Расчёт параметров нагрева находится в сфере ответственности компании, монтирующей распределительные устройства. Компания Eaton указывает данные по потере мощности устройств. | ||
10.11 Стойкость к коротким замыканиям |
Находится в сфере ответственности компании, монтирующей распределительные устройства. Соблюдать указания для коммутационных устройств. | ||
10.12 Электромагнитная совместимость |
Находится в сфере ответственности компании, монтирующей распределительные устройства. Соблюдать указания для коммутационных устройств. | ||
10.13 Механическая функция |
Для устройства требования считаются выполненными, если были соблюдены данные инструкции по монтажу (IL). |
| Low-voltage industrial components (EG000017) / One-phase control transformer (EC002486) | |||
| Electric engineering, automation, process control engineering / Transformer, converter, coil / Control transformer / One-phase control transformer (ecl@ss8.1-27-03-13-02 [AAB620012]) | |||
Built as safety transformer |
Yes | ||
Built as isolating transformer |
Yes | ||
Built as energy saving transformer |
No | ||
Primary voltage 1 |
V | 230 - 230 | |
Primary voltage 2 |
V | 0 - 0 | |
Primary voltage 3 |
V | 0 - 0 | |
Primary voltage 4 |
V | 0 - 0 | |
Primary voltage 5 |
V | 0 - 0 | |
Primary voltage 6 |
V | 0 - 0 | |
Primary voltage 7 |
V | 0 - 0 | |
Primary voltage 8 |
V | 0 - 0 | |
Primary voltage 9 |
V | 0 - 0 | |
Primary voltage 10 |
V | 0 - 0 | |
Secondary voltage 1 |
V | 230 - 230 | |
Secondary voltage 2 |
V | 0 - 0 | |
Secondary voltage 3 |
V | 0 - 0 | |
Secondary voltage 4 |
V | 0 - 0 | |
Secondary voltage 5 |
V | 0 - 0 | |
Secondary voltage 6 |
V | 0 - 0 | |
Secondary voltage 7 |
V | 0 - 0 | |
Secondary voltage 8 |
V | 0 - 0 | |
Secondary voltage 9 |
V | 0 - 0 | |
Secondary voltage 10 |
V | 0 - 0 | |
Rated apparent power |
VA | 200 | |
Type of insulation material acc. IEC 85 |
B | ||
Short-circuit-proof |
No | ||
Relative short circuit voltage |
% | 6.6 | |
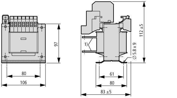
Width |
mm | 106 | |
Height |
mm | 124 | |
Depth |
mm | 83 | |
Degree of protection (IP) |
IP00 | ||
Ring core |
No | ||
Suitable for mounting on PCB |
No | ||
Modular version |
No |
| Product Standards | UL 506; UL5085-1; UL 5085-2; CSA-C22.2 No. 66; CSA-C22.2 No. 66.1-06; CSA-C22.2 No. 66.2-06; IEC/EN 61558-2-2; CE marking | ||
| UL File No. | E167225 | ||
| UL Category Control No. | XPTQ2, XPTQ8 | ||
| CSA File No. | UL report applies to both US and Canada | ||
| CSA Class No. | – | ||
| North America Certification | UL recognized, certified by UL for use in Canada | ||
| Specially designed for North America | No | ||
| Suitable for | Branch circuits | ||
| Max. Voltage Rating | 600 V AC | ||
| Degree of Protection | IEC: IP00, UL/CSA Type: - |
Банковский перевод: счет на оплату формируется после оформления заказа или отправки заявки в произвольной форме на электронную почту info@euro-avtomatika.ru. Специалист свяжется с вами для уточнения деталей.
Самовывоз с нашего склада:
По адресу: Московская область, Люберецкий район, п. Томилино, мкр. Птицефабрика, стр. лит. А, офис 109. Мы есть на Яндекс.Карты.
Доставка до двери
Осуществляется курьерской службой или транспортной компанией (на Ваш выбор).
Мы работаем с ведущими транспортными компаниями и доставляем заказы во все регионы России и Казахстана.
Доставка до терминала
Транспортной компании в Москва – БЕСПЛАТНО.