Возможные производители: KLEMSAN
Набор штекерных соединителей EVO, серия B6, пластиковый корпус, состоящий из: 1407727, 1407728, 1407622, 1407619, 1407669, пластиковый корпус
Преимущества для Вас
- Меньшая стоимость по сравнению с металлическим исполнением
- Возможность нанесения обозначений при помощи маркировчной таблички 9 x 20 мм
- Малый вес
- Снижение риска выпадения конденсата
- Для соединения пластин РЕ контактных вставок используется встроенная в сальниковый корпус металлическая рамка
- Металлические вкладыши обеспечивают опережающее контактирование PE при наклонной вставке
- абсолютная стойкость к коррозии
- пластмасса без галогенов
- Устанавливаемая маркировочная табличка
Общие сведения
| Полюсов | 6+PE |
|---|---|
| Конструкция | B6 |
| Тип подключения | Зажимы Push-in |
| Кабельный отвод | прямое |
| боковое | |
| Степень защиты корпуса | IP66 |
| 12 (UL 50e) | |
| Способ подключения | Зажимы Push-in |
| Расчетное напряжение (III/3) | 500 В |
| Расчетное импульсное напряжение | 6 кВ |
| Расчетный ток | 16 A |
| Сечение проводников | 0,14 мм² ... 2,5 мм² (с кабельным наконечником) |
| Сечение AWG | 26 ... 14 (с кабельным наконечником) |
| Наружный диаметр кабеля | 7 мм ... 13 мм |
| Температура окружающей среды (при эксплуатации) | -40 °C ... 100 °C |
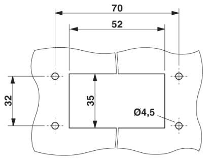
| Длина, монтажный вырез | 52 мм |
| Ширина Монтажный вырез | 35 мм |
| Материал корпуса | PA |
| Материал, держатель контакта | PC |
| Материал, защелка | PA |
| Защитная крышка встроена | да |
Environmental Product Compliance
| China RoHS | Период времени для применения по назначению (EFUP): 50 лет |
|---|---|
| Информация об опасных веществах приведена в декларации производителя во вкладке «Загрузки» |
Содержимое комплекта
Банковский перевод: счет на оплату формируется после оформления заказа или отправки заявки в произвольной форме на электронную почту info@euro-avtomatika.ru. Специалист свяжется с вами для уточнения деталей.
Самовывоз с нашего склада:
По адресу: Московская область, Люберецкий район, п. Томилино, мкр. Птицефабрика, стр. лит. А, офис 109. Мы есть на Яндекс.Карты.
Доставка до двери
Осуществляется курьерской службой или транспортной компанией (на Ваш выбор).
Мы работаем с ведущими транспортными компаниями и доставляем заказы во все регионы России и Казахстана.
Доставка до терминала
Транспортной компании в Москва – БЕСПЛАТНО.
