Возможные производители: KLEMSAN
Приборный корпус D7, с одной защелкой, mатериал: PA, длина кабеля: 1, боковое, высота: 27,9 мм, кабельный ввод: с, патрубок: Нет, 1x M20, Стандартн., открытое дно
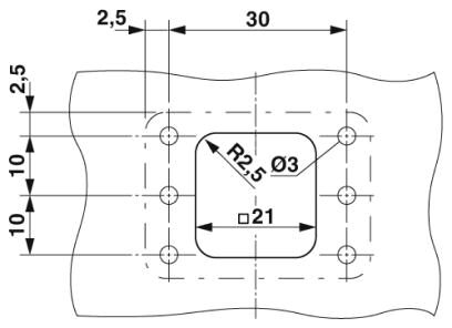
Размеры
| Высота | 27,9 мм |
|---|---|
| Ширина | 38 мм |
| Длина | 24,2 мм |
| Наружный диаметр кабеля | 4 мм ... 10 мм |
| Длина, монтажный вырез | 21 мм |
| Ширина Монтажный вырез | 21 мм |
Условия окружающей среды
| Класс защиты (IP) | IP66 |
|---|---|
| Температура окружающей среды (при эксплуатации) | -40 °C ... 125 °C |
Общие сведения
| Указание | для контактных вставок HC-A03, A04, D07, D08, Q02, Q03, Q04, Q05, Q07, Q12 |
|---|---|
| Размер | D7 |
| Тип корпуса | Приборный корпус |
| Цвет | черный |
| Тип фиксатора | с одной защелкой |
| Количество подключаемых кабелей | 1 |
| Кабельный отвод | боковое |
| Резьбовые элементы | с |
| Тип резьбового соединения | 1x M20 |
| Материал корпуса | PA |
| Материал, уплотнение | NBR |
| Материал крепления | PA |
| Класс воспламеняемости согласно UL 94 | V0 (Полиамидный корпус) |
Environmental Product Compliance
| China RoHS | Период времени для применения по назначению (EFUP): 50 лет |
|---|---|
| Информация об опасных веществах приведена в декларации производителя во вкладке «Загрузки» |
Классификация
Банковский перевод: счет на оплату формируется после оформления заказа или отправки заявки в произвольной форме на электронную почту info@euro-avtomatika.ru. Специалист свяжется с вами для уточнения деталей.
Самовывоз с нашего склада:
По адресу: Московская область, Люберецкий район, п. Томилино, мкр. Птицефабрика, стр. лит. А, офис 109. Мы есть на Яндекс.Карты.
Доставка до двери
Осуществляется курьерской службой или транспортной компанией (на Ваш выбор).
Мы работаем с ведущими транспортными компаниями и доставляем заказы во все регионы России и Казахстана.
Доставка до терминала
Транспортной компании в Москва – БЕСПЛАТНО.