Возможные производители: KLEMSAN
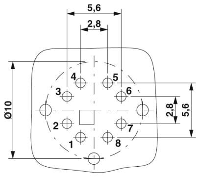
Встраиваемое гнездо, CAT6A, Ethernet, монолитное, 8-контактное, M12-SPEEDCON, монтаж на заднюю стенку/винтовое крепление с помощью резьбы М16, с прямыми выводами под пайку
Преимущества для Вас
- Простота монтажа на печатную плату: цельные штекерные разъемы для пайки волной припоя
- Любые распространенные схемы расположения контактов и кодировка для передачи сигналов, данных и питания с унифицированной конструкцией
- Для высокой безопасности передачи: опциональное подсоединение экрана к корпусу при помощи контакта
Окружающие условия
| Степень защиты | IP67 (в смонтированном состоянии) |
|---|---|
| Температура окружающей среды (при эксплуатации) | -40 °C ... 85 °C |
Общие характеристики
| Указание | Электрические и механические параметры указаны с учетом наличия правильно зафиксированного и установленного штекерного соединителя. Если соединитель не зафиксирован и существует вероятность попадания в него грязи, то рекомендуется закрыть его защитным колпаком >IP54. Кроме того, необходимо учитывать воздействия со стороны проводов, кабелей и печатных плат. |
|---|---|
| Расчетный ток при 40 ℃ | 0,5 A (Данные) |
| Расчетное напряжение | 50 В AC |
| 60 В DC | |
| Полюсов | 8 |
| Тип сигнала/категория | Ethernet CAT6A |
| Категория перенапряжения | III |
| Степень загрязнения | 3 |
| Альтернативное краткое описание изделия | Встраиваемое гнездо Ethernet |
| Тип подключения | Выводы под пайку |
| Материал, контакт | CuZn |
| Материал, держатель контакта | PPA |
| Материал, контактная поверхность | позолоченный |
Environmental Product Compliance
| REACh SVHC | |
|---|---|
| Lead 7439-92-1 | |
| China RoHS | Период времени для применения по назначению (EFUP): 50 лет |
| Информация об опасных веществах приведена в декларации производителя во вкладке «Загрузки» |
Классификация
Банковский перевод: счет на оплату формируется после оформления заказа или отправки заявки в произвольной форме на электронную почту info@euro-avtomatika.ru. Специалист свяжется с вами для уточнения деталей.
Самовывоз с нашего склада:
По адресу: Московская область, Люберецкий район, п. Томилино, мкр. Птицефабрика, стр. лит. А, офис 109. Мы есть на Яндекс.Карты.
Доставка до двери
Осуществляется курьерской службой или транспортной компанией (на Ваш выбор).
Мы работаем с ведущими транспортными компаниями и доставляем заказы во все регионы России и Казахстана.
Доставка до терминала
Транспортной компании в Москва – БЕСПЛАТНО.
