Возможные производители: KLEMSAN
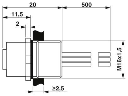
Встраиваемые разъемы, Универсальный, 4-полюсн., Гнездо, прямое, M12-SPEEDCON, А-кодирование, Монтаж на передней стенке , M16 x 1,5, Отдельные проводники, длина кабеля: 0,5 м
Преимущества для Вас
- Подготовленные с гибкими проводниками для незамедлительного использования
- Сборка и длина проводников на заказ
- Оптимальная герметичность за счет заливки со стороны гибких проводников
- Любые распространенные схемы расположения контактов и кодировка для передачи сигналов, данных и питания с унифицированной конструкцией
- Для высокой безопасности передачи: подсоединение экрана к корпусу при помощи опциональной ЭМС-гайки
- Система быстрой фиксации SPEEDCON снижает время на кабельную разводку
Окружающие условия
| Температура окружающей среды (при эксплуатации) | -25 °C ... 85 °C (вилка / розетка) |
|---|---|
| Степень защиты | IP67 |
Общие сведения
| Указание | Электрические и механические параметры указаны с учетом наличия правильно зафиксированного и установленного штекерного соединителя. Если соединитель не зафиксирован и существует вероятность попадания в него грязи, то рекомендуется закрыть его защитным колпаком >IP54. Кроме того, необходимо учитывать воздействия со стороны проводов, кабелей и печатных плат. |
|---|---|
| Расчетный ток при 40 ℃ | 4 A |
| Расчетное напряжение | 250 В |
| Расчетное импульсное напряжение | 2,5 кВ |
| Полюсов | 4 |
| Сопротивление изоляции | ≥ 100 MΩ |
| Кодирование | A - стандарт |
| Стандарты/нормативные документы | Разъем M12 МЭК 61076-2-101 |
| Тип сигнала/категория | Универсальный |
| Индикатор состояния | Нет |
| Категория перенапряжения | II |
| Степень загрязнения | 3 |
| Тип подключения | Отдельные проводники |
| Циклы установки | > 100 |
| Момент затяжки | 3 Нм ... 4 Нм (С монтажной стороны) |
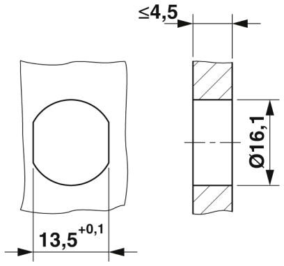
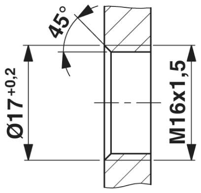
| Тип монтажа | Монтаж на передней стенке M16 x 1,5 |
Материал
| Класс воспламеняемости согласно UL 94 | V0 |
|---|---|
| Материал, контакт | CuZn |
| Материал, контактная поверхность | Ni/Au |
| Материал, держатель контакта | PA 6.6 |
| Материал накатанной гайки | Цинк. литья под давлением, с никелевым покрытием |
| Материал уплотнения | NBR/FKM |
Кабель
| Тип кабеля | Гибкий кабель TPE |
|---|---|
| Сечение провода | 0,34 мм² |
| AWG, сигнальная линия | 22 |
| Конструкция кабеля, сигнальная линия | 7x 0,25 мм |
| Диаметр проводника вкл. изоляцию | 1,2 мм ±0,07 мм |
| Толщина стенки, изоляция | 0,21 мм (Изоляция жилы) |
| Цвета жил | коричневый, белый, синий, черный |
| Материал, изоляция проводника | TPE |
| Материал проводника | гибкий провод из оцинкованной меди |
| Стандарты/нормативные документы | Разъем M12 МЭК 61076-2-101 |
| Сопротивление изоляции | ≥ 20 МΩ*км |
| Сопротивление кабеля | ≤ 57,6 мΩ/м |
| Номинальное напряжение, проводник | 300 В |
| Испытательное напряжение, проводник | 2000 В AC |
| Температура окружающей среды (при эксплуатации) | -40 °C ... 85 °C (кабель, жестко прокладываемый) |
| -25 °C ... 85 °C (кабель, для подвижного монтажа) |
Стандарты и предписания
| Обозначение стандарта | Разъем M12 |
|---|---|
| Стандарты / нормативные документы | МЭК 61076-2-101 |
| Класс воспламеняемости согласно UL 94 | V0 |
Environmental Product Compliance
| China RoHS | Период времени для применения по назначению: не ограничен = EFUP-e |
|---|---|
| Не содержит опасных веществ, выходящих за пределы пороговых значений |
Классификация
Банковский перевод: счет на оплату формируется после оформления заказа или отправки заявки в произвольной форме на электронную почту info@euro-avtomatika.ru. Специалист свяжется с вами для уточнения деталей.
Самовывоз с нашего склада:
По адресу: Московская область, Люберецкий район, п. Томилино, мкр. Птицефабрика, стр. лит. А, офис 109. Мы есть на Яндекс.Карты.
Доставка до двери
Осуществляется курьерской службой или транспортной компанией (на Ваш выбор).
Мы работаем с ведущими транспортными компаниями и доставляем заказы во все регионы России и Казахстана.
Доставка до терминала
Транспортной компании в Москва – БЕСПЛАТНО.