Возможные производители: KLEMSAN
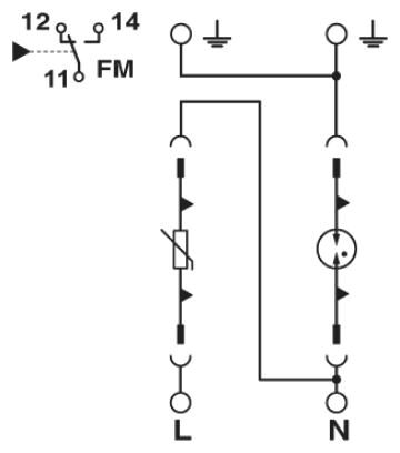
Универсальный молниеотвод / УЗИП на базе варисторов для 1-фазных цепей электропитания с отдельными проводниками N и PE (3-проводная система: L1, N, PE), с контактом для удаленной передачи сигнала.
Преимущества для Вас
- Возможность проверки штекера с помощью CHECKMASTER
- С сухим контактом для дистанционной передачи сигналов
- Надежная фиксация соединителей при высоких грозовых нагрузках и сильной вибрации благодаря оригинальной защелке
- Тепловой расцепитель для каждого штекера
- Вставной
- Тепловой расцепитель для каждого штекера
- Механические ключи для всех гнезд
Размеры
| Высота | 96,8 мм | 
|---|---|
| Ширина | 35,6 мм | 
| Глубина | 77,5 мм (вкл. монтажная рейка 7,5 мм) | 
| Единица шага | 2 TE | 
Окружающие условия
| Степень защиты | IP20 (только при использовании всех клеммных зажимов) | 
|---|---|
| Температура окружающей среды (при эксплуатации) | -40 °C ... 80 °C | 
| Температура окружающей среды (хранение/транспорт) | -40 °C ... 80 °C | 
| Высота | ≤ 2000 м (amsl (выше уровня моря)) | 
| Допустимая отн. влажность воздуха (при эксплуатации) | 5 % ... 95 % | 
| Удары (при эксплуатации) | 30г (Полусинусоида / 11 мс / 3x X, Y, Z) | 
| Вибрация (при эксплуатации) | 7,5г (10 ... 500 Гц / 2,5 ч / X, Y, Z) | 
Общие сведения
| Класс испытания согл. МЭК | I / II | 
|---|---|
| T1 / T2 | |
| T1 | |
| Тип EN | T1 / T2 | 
| T1 | |
| Система энергоснабжения IEC | TT | 
| TN-S | |
| Защитная цепь | L-N | 
| L-PE | |
| N-PE | |
| Тип монтажа | Монтажная рейка: 35 мм | 
| Цвет | иссиня-чёрный RAL 9005 | 
| Материал корпуса | PA 6.6 | 
| PBT | |
| Степень загрязнения | 2 | 
| Класс воспламеняемости согласно UL 94 | V-0 | 
| Конструкция | Модуль для установки на монтажную рейку, состоящий из двух частей, закрепляется на защелках | 
| Сообщение, неисправность устройства для защиты от импульсных перенапряжений | световая, контакт для дистанционной передачи сигнала | 
Защитная цепь
| Номинальное напряжение UN | 240 В AC (TN-S) | 
|---|---|
| 240 В AC (TT) | |
| Номинальная частота fN | 50 Гц (60 Гц) | 
| Макс. напряжение при длительной нагрузке UC (L-N) | 335 В AC | 
| Макс. напряжение при длительной нагрузке UC (L- PE) | 335 В AC | 
| Макс. напряжение при длительной нагрузке UC (N-PE) | 264 В AC | 
| Номинальный ток IL | 80 A | 
| Ток защитного проводника IPE | ≤ 5 мкA | 
| Потребляемая мощность в режиме ожидания ПК | ≤ 270 mVA | 
| Номинальный импульсный разрядный ток In (8/20) мкс (L-N) | 12,5 кA | 
| Номинальный импульсный ток утечки In (8/20) мкс (L-PE) | 12,5 кA | 
| Номинальный импульсный разрядный ток In (8/20) мкс (N-PE) | 50 кA | 
| Максимальный импульсный ток утечки Imax (8/20) мкс | 50 кA | 
| Испытательный разрядный ток (10/350) мкс (L-N), зарядка | 6,25 Ас | 
| Испытательный разрядный ток (10/350) мкс (L-N), удельная энергия | 39 кДж/Ω | 
| Испытательный разрядный ток (10/350) мкс (L-N), пиковое значение тока Iimp | 12,5 кA | 
| Испытательный разрядный ток (10/350) мкс (L-PE), зарядка | 6,25 Ас | 
| Испытательный разрядный ток (10/350) мкс (L-PE), удельная энергия | 39 кДж/Ω | 
| Испытательный разрядный ток (10/350) мкс (L-PE), пиковое. значение тока Iimp | 12,5 кA | 
| Испытательный разрядный ток (10/350) мкс (N-PE), зарядка | 25 Ас | 
| Испытательный разрядный ток (10/350) мкс (N-PE), удельная энергия | 625 кДж/Ω | 
| Испытательный разрядный ток (10/350) мкс (N-PE), пиковое значение тока Iimp | 50 кA | 
| Общий максимальный импульсный ток утечки Itotal (8/20) мкс | 50 кA | 
| Общий максимальный импульсный ток утечки Itotal (10/350) мкс | 25 кA | 
| Способность к гашению сопровождающего тока Ifi (N-PE) | 100 A | 
| Стойкость к короткому замыканию ISCCR | 25 кA | 
| Уровень защиты Up (L-N) | ≤ 1,2 кВ | 
| ≤ 1,6 кВ (30 кA - 8/20 мкс) | |
| Уровень защиты Up (L-PE) | ≤ 2 кВ | 
| Уровень защиты Up (N-PE) | ≤ 1,7 кВ | 
| Остаточное напряжение Ures (L-N) | ≤ 1,2 кВ (при In) | 
| ≤ 1,1 кВ (При 10 кА) | |
| ≤ 1 кВ (при 5 кА) | |
| ≤ 0,9 кВ (При 3 кА) | |
| Остаточное напряжение Ures (L-PE) | ≤ 2 кВ (при In) | 
| ≤ 1,5 кВ (При 10 кА) | |
| ≤ 1,2 кВ (при 5 кА) | |
| ≤ 1,1 кВ (При 3 кА) | |
| Остаточное напряжение Ures (N-PE) | ≤ 0,6 кВ (при In) | 
| ≤ 0,5 кВ (При 10 кА) | |
| ≤ 0,5 кВ (при 5 кА) | |
| ≤ 0,4 кВ (При 3 кА) | |
| Характеристика TOV при UT (L-N) | 415 В AC (5 с / режим устойчивости) | 
| 457 В AC (120 мин / режим безопасного сбоя) | |
| Характеристика TOV при UT (N-PE) | 1200 В AC (200 мс / режим устойчивости) | 
| Время срабатывания tA (L-N) | ≤ 25 нс | 
| Время срабатывания tA (L-PE) | ≤ 100 нс | 
| Время срабатывания tA (N-PE) | ≤ 100 нс | 
| Макс. номинал входного предохранителя при V-образном проходном подключении | 80 A (gG - 16 мм²) | 
| Макс. номинал входного предохранителя при подключении ответвлений | 160 A (gG) | 
Индикатор / Дистанционная сигнализация
| Функция переключения | Переключающий контакт | 
|---|---|
| Рабочее напряжение | 5 В AC ... 250 В AC | 
| 30 В DC | |
| Рабочий ток | 5 мA AC ... 1,5 A AC | 
| 1 A DC | |
| Тип подключения | Штекерное / винтовое подключение COMBICON | 
| Резьба винтов | M2 | 
| Момент затяжки | 0,25 Нм | 
| Длина снятия изоляции | 7 мм | 
| Сечение гибкого провода | 0,14 мм² ... 1,5 мм² | 
| Сечение жесткого провода | 0,14 мм² ... 1,5 мм² | 
| Сечение проводника AWG | 28 ... 16 | 
Параметры соединения
| Тип подключения | Винтовые зажимы | 
|---|---|
| Резьба винтов | M5 | 
| Момент затяжки | 3 Нм (1,5 мм² ... 16 мм²) | 
| 4,5 Нм (25 мм² ... 35 мм²) | |
| Длина снятия изоляции | 16 мм | 
| Сечение гибкого провода | 1,5 мм² ... 25 мм² | 
| Сечение жесткого провода | 1,5 мм² ... 35 мм² | 
| Сечение проводника AWG | 15 ... 2 | 
| Тип подключения | Вилочный наконечник | 
| Сечение гибкого провода | 1,5 мм² ... 16 мм² | 
Спецификации UL
| Тип SPD | 4CA | 
|---|---|
| Максимальное напряжение длительной нагрузки MCOV (L-N) | 335 В AC | 
| Максимальное напряжение длительной нагрузки MCOV (L-G) | 335 В AC | 
| Максимальное напряжение длительной нагрузки MCOV (N-G) | 264 В AC | 
| Номинальное напряжение | 240 В AC | 
| Защитная цепь | L-N | 
| L-G | |
| N-G | |
| Система распределения энергии | Single phase | 
| Номинальная частота | 50/60 Гц | 
| Измеренное предельное напряжение MLV (L-N) | 2630 В | 
| Измеренное предельное напряжение MLV (L-G) | 3600 В | 
| Измеренное предельное напряжение MLV (N-G) | 2600 В | 
| Номинальный импульсный разрядный ток In (L-N) | 20 кA | 
| Номинальный импульсный разрядный ток In (L-G) | 20 кA | 
| Номинальный импульсный разрядный ток In (N-G) | 20 кA | 
Индикатор / дистанционная сигнализация UL
| Рабочее напряжение | 125 В AC | 
|---|---|
| Рабочий ток | 1 A AC | 
| Момент затяжки | 4 lbf-in. | 
| Сечение проводника AWG | 30 ... 14 | 
Environmental Product Compliance
| China RoHS | Период времени для применения по назначению (EFUP): 50 лет | 
|---|---|
| Информация об опасных веществах приведена в декларации производителя во вкладке «Загрузки» | 
Классификация
eCl@ss
| eCl@ss 4.0 | 27140201 | 
|---|---|
| eCl@ss 4.1 | 27130801 | 
| eCl@ss 5.0 | 27130801 | 
| eCl@ss 5.1 | 27130800 | 
| eCl@ss 6.0 | 27130800 | 
| eCl@ss 7.0 | 27130802 | 
| eCl@ss 8.0 | 27130802 | 
| eCl@ss 9.0 | 27130802 | 
Банковский перевод: счет на оплату формируется после оформления заказа или отправки заявки в произвольной форме на электронную почту info@euro-avtomatika.ru. Специалист свяжется с вами для уточнения деталей.
Самовывоз с нашего склада:
 По адресу: Московская область, Люберецкий район, п. Томилино, мкр. Птицефабрика, стр. лит. А, офис 109. Мы есть на Яндекс.Карты.
Доставка до двери
 Осуществляется курьерской службой или транспортной компанией (на Ваш выбор).
Мы работаем с ведущими транспортными компаниями и доставляем заказы во все регионы России и Казахстана.
Доставка до терминала
 Транспортной компании в Москва – БЕСПЛАТНО.

 
                                                                     
                                                                     
                                                                     
                         
                         
                        