Возможные производители: KLEMSAN
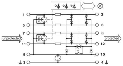
Устройство защиты от перенапряжений, включает в себя защитный штекер и базовый элемент, с встроенной многоступенчатой индикацией состояния на модуле для пяти сигнальных проводников. Для высокочастотных приложений и телекоммуникационных интерфейсов без напряжения питания (до 90 Мбит/с).
Преимущества для Вас
- Система защиты от импульсных перенапряжений
- Многоступенчатый контроль состояния
- Сборное сообщение через модуль питания и сигнализации
- Питание системы через шину несущей рейки
- До 28 защитных модулей на модуль питания
- Для приложений HF благодаря высокой скорости передачи данных
- Конструкция из двух частей упрощает обслуживание
- Возможность кодировки штекера
- Штекерный модуль может быть без изменения общего сопротивления извлечен для обслуживания
- Базовый элемент остается неотъемлемой частью системы
Размеры
| Высота | 109,3 мм |
|---|---|
| Ширина | 17,7 мм |
| Глубина | 77,5 мм (вкл. монтажная рейка 7,5 мм) |
| Единица шага | 1 TE |
Окружающие условия
| Температура окружающей среды (при эксплуатации) | -40 °C ... 70 °C |
|---|---|
| Температура окружающей среды (хранение/транспорт) | -40 °C ... 85 °C |
| Высота | ≤ 4000 м (amsl (выше уровня моря)) |
| Степень защиты | IP20 |
Общие сведения
| Материал корпуса | PA 6.6 |
|---|---|
| Класс воспламеняемости согласно UL 94 | V-0 |
| Цвет | иссиня-чёрный RAL 9005 |
| Тип монтажа | Монтажная рейка: 35 мм |
| Конструкция | Модуль для установки на монтажную рейку, состоящий из двух частей, закрепляется на защелках |
| Направление действие | Line-Line & Line-Signal Ground/Shield & optional Signal Ground/Shield-Earth Ground |
| Скорость передачи данных | 90 Мбит/с |
Защитная цепь
| Класс испытания согл. МЭК | C1 |
|---|---|
| C2 | |
| C3 | |
| D1 | |
| Номинальное напряжение UN | 5 В DC |
| Макс. напряжение при длит. нагрузке UC | 6 В DC |
| 4 В AC | |
| Расчетный ток | 600 мА (40 °C) |
| Эффективный рабочий ток IC при UC | ≤ 800 мкA (на цепь) |
| Ток защитного проводника IPE | ≤ 10 мкA (на цепь) |
| Номинальный импульсный ток утечки In (8/20) мкс (проводник-проводник) | 10 кA |
| Номинальный импульсный ток утечки In (8/20) мкс (фаза-земля) | 10 кA |
| Номинальный ток утечки In (8/20) мкс (фаза — масса сигнала) | 10 кA |
| Отводимый импульсный ток Iimp (10/350) мкс (жила-земля) | 2,5 кA |
| Общий максимальный импульсный ток утечки Itotal (8/20) мкс | 20 кA |
| Уровень защиты Up (жила-жила) | ≤ 90 В (C1 - 1 кВ/500 A) |
| ≤ 30 В (C3 - 25 A) | |
| ≤ 30 В (C3 - 50 A) | |
| ≤ 140 В (C2 - 10 кВ / 5 кА) | |
| Уровень защиты Up (жила-земля) | ≤ 730 В (C1 - 1 кВ/500 A) |
| ≤ 900 В (C2 - 10 кВ / 5 кА) | |
| ≤ 900 В (C3 - 25 A) | |
| ≤ 900 В (C3 - 50 A) | |
| Уровень защиты Up (жила—масса сигнала) | ≤ 90 В (C1 - 1 кВ/500 A) |
| ≤ 30 В (C3 - 25 A) | |
| ≤ 30 В (C3 - 50 A) | |
| ≤ 140 В (C2 - 10 кВ / 5 кА) | |
| Уровень защиты Up, статический (жила-жила) | ≤ 45 В (C1 - 1 кВ/500 A) |
| Уровень защиты Up, статический (жила—масса сигнала) | ≤ 45 В (C1 - 1 кВ/500 A) |
| Время срабатывания tA (фаза-фаза) | ≤ 1 нс |
| Время срабатывания tA (фаза — масса сигнала) | ≤ 1 нс |
| Время срабатывания tA (фаза-земля) | ≤ 100 нс |
| Вносимое затухание aE, сим. | тип. 0,3 дБ (≤ 10 МГц / 150 Ω) |
| Вносимое затухание aE, асим. | тип. 0,3 дБ (≤ 10 МГц / 150 Ω) |
| Максимальная частота fg (3 дБ), сим. в системах сопротивлением 150 Ом | тип. 60 МГц |
| Максимальная частота fg (3 дБ), асим. (земля) в системах сопротивлением 150 Ом | тип. 60 МГц |
| Емкость (фаза-фаза) | тип. 30 пФ |
| Емкость (фаза — сигнальная масса) | тип. 30 пФ |
| Сопротивление на каждую цепь | 1,2 Ω ±5 % |
| Сообщение, неисправность устройства для защиты от импульсных перенапряжений | световая, многоступенчатая |
| Номинал предохранителя, макс. | 600 мА (FF) |
| Устойчивость к импульсному току (фаза-фаза) | C1 - 1 кВ / 500 A |
| C2 - 10 кВ / 5 кA | |
| C2 - 10 кА | |
| C3 - 25 A | |
| C3 - 50 A | |
| Устойчивость к импульсному току (фаза-земля) | C1 - 1 кВ / 500 A |
| C2 - 10 кВ / 5 кA | |
| C2 - 10 кА | |
| C3 - 25 A | |
| C3 - 50 A | |
| D1 - 2,5 kA | |
| Устойчивость к импульсному току (фаза — сигнальная масса) | C1 - 1 кВ/500 A |
| C2 - 10 кВ/5 kA | |
| C2 - 10 кA | |
| C3 - 25 A | |
| C3 - 50 A | |
| Время сброса импульса (фаза-фаза) | ≤ 10 мс |
| Время сброса импульса (фаза-земля) | ≤ 10 мс |
| Время сброса импульса (жила—масса сигнала) | ≤ 10 мс |
Характеристики клемм
| Тип подключения | Зажимы Push-in |
|---|---|
| Длина снятия изоляции | 10 мм |
| Сечение гибкого провода | 0,2 мм² ... 2,5 мм² |
| Сечение жесткого провода | 0,2 мм² ... 4 мм² |
| Сечение проводника AWG | 24 ... 12 |
Стандарты и предписания
| Стандарты/нормативные документы | МЭК 61643-21 2000 + A1:2008 + A2:2012 |
|---|---|
| EN 61643-21 2001 + A1:2009 + A2:2013 | |
| EN 61000-6-2 2005 | |
| EN 61000-6-3 2007 + A1:2011 |
Environmental Product Compliance
| REACh SVHC | |
|---|---|
| Lead 7439-92-1 | |
| China RoHS | Период времени для применения по назначению (EFUP): 50 лет |
| Информация об опасных веществах приведена в декларации производителя во вкладке «Загрузки» |
Классификация
Банковский перевод: счет на оплату формируется после оформления заказа или отправки заявки в произвольной форме на электронную почту info@euro-avtomatika.ru. Специалист свяжется с вами для уточнения деталей.
Самовывоз с нашего склада:
По адресу: Московская область, Люберецкий район, п. Томилино, мкр. Птицефабрика, стр. лит. А, офис 109. Мы есть на Яндекс.Карты.
Доставка до двери
Осуществляется курьерской службой или транспортной компанией (на Ваш выбор).
Мы работаем с ведущими транспортными компаниями и доставляем заказы во все регионы России и Казахстана.
Доставка до терминала
Транспортной компании в Москва – БЕСПЛАТНО.
