Возможные производители: KLEMSAN
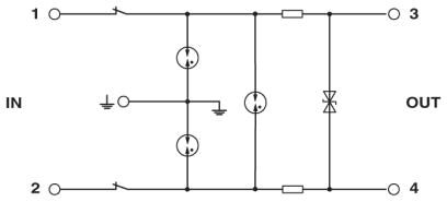
Электротехническая клемма с двухступенчатой защитой от импульсных перенапряжений для Ex i-сигнальной цепи без потенциала земли, ножевые разъединители в обеих сигнальных цепях, раздельное подключение PE, номинальное напряжение: 24 В DC
Преимущества для Вас
- Варианты с ножевыми размыкателями и без них
- Для закрытия установленных в ряд устройств TERMITRAB TT... предлагаются крышки соответствующих цветов
- Другие уровни напряжения по запросу
- Многоуровневые электротехнические клеммы с винтовыми зажимами
- Защита одной двухпроводной линии искробезопасной цепи без потенциала земли
- Область применения – взрывоопасные зоны класса 1 и 2
- Провода могут быть выведены до взрывоопасной зоны 0
- Разблокирование сигнальных цепей ножевым размыкателем
Окружающие условия
| Температура окружающей среды (при эксплуатации) | -40 °C ... 80 °C |
|---|---|
| Высота | ≤ 2000 м (amsl (выше уровня моря)) |
| Степень защиты | IP20 (с торцевой крышкой) |
Общие сведения
| Материал корпуса | PA 6.6 |
|---|---|
| Класс воспламеняемости согласно UL 94 | V-0 |
| Цвет | небесно-синий RAL 5015 |
| Тип монтажа | Монтажная рейка: 35 мм |
| Конструкция | Двухъярусные клеммы с PE-основанием - раздельное подключение PE |
| Полюсов | 2 |
| Направление действие | Line-Line & Line-Earth Ground |
Защитная цепь
| Класс испытания согл. МЭК | C1 |
|---|---|
| C2 | |
| C3 | |
| D1 | |
| Номинальное напряжение UN | 24 В DC |
| Макс. напряжение при длит. нагрузке UC | 30 В DC |
| 21 В AC | |
| Расчетный ток | 250 мА (40 °C) |
| Эффективный рабочий ток IC при UC | ≤ 5 мкA |
| Ток защитного проводника IPE | ≤ 1 мкA |
| Номинальный импульсный ток утечки In (8/20) мкс (проводник-проводник) | 5 кA |
| Номинальный импульсный ток утечки In (8/20) мкс (фаза-земля) | 5 кA |
| Отводимый импульсный ток Iimp (10/350) мкс (жила-земля) | 500 A |
| Общий максимальный импульсный ток утечки Itotal (8/20) мкс | 10 кA |
| Номинальный импульсный ток Ian (10/1000)мкс (фаза-фаза) | 100 A |
| Номинальный импульсный ток Ian (10/1000)мкс (фаза-земля) | 100 A |
| Ограничение выходного напряжения при 1 кВ/мкс, (фаза-фаза), импульсн. | ≤ 44 В |
| Ограничение выходного напряжения при 1 кВ/мкс, (фаза-земля), импульсн. | ≤ 1,5 кВ |
| Ограничение выходного напряжения при 1 кВ/мкс, (фаза-фаза), статич. | ≤ 44 В |
| Ограничение выходного напряжения при 1 кВ/мкс, (фаза-земля), статич. | ≤ 1,5 кВ |
| Остаточное напряжение при In (фаза-фаза) | ≤ 40 В |
| Остаточное напряжение при In (фаза-земля) | ≤ 110 В |
| Уровень защиты Up (жила-жила) | ≤ 70 В (C2 - 10 кВ / 5 кА) |
| Уровень защиты Up (жила-земля) | ≤ 1,5 кВ (C2 - 10 кВ / 5 кА) |
| Время срабатывания tA (фаза-фаза) | ≤ 1 нс |
| Время срабатывания tA (фаза-земля) | ≤ 100 нс |
| Вносимое затухание aE, сим. | тип. 1 дБ (≤1 МГц / 50 Ом) |
| тип. 0,3 дБ (≤ 200 кГц / 150 Ом) | |
| Максимальная частота fg (3 дБ), сим. в системах сопротивлением 50 Ом | тип. 6 МГц |
| Максимальная частота fg (3 дБ), сим. в системах сопротивлением 150 Ом | тип. 2 МГц |
| Сопротивление на каждую цепь | 4,7 Ω ±20 % |
| Сообщение, неисправность устройства для защиты от импульсных перенапряжений | нет |
| Номинал предохранителя, макс. | 250 мА |
| Устойчивость к импульсному току (фаза-фаза) | C2 - 10 кВ / 5 кA |
| Устойчивость к импульсному току (фаза-земля) | C2 - 10 кВ / 5 кA |
| D1 - 500 A |
Характеристики клемм
| Тип подключения | Винтовые зажимы |
|---|---|
| Тип подключения ВХОД | Винтовые клеммы |
| Тип подключения ВЫХОД | Винтовые клеммы |
| Резьба винтов | M3 |
| Момент затяжки | 0,6 Нм |
| Длина снятия изоляции | 8 мм |
| Сечение гибкого провода | 0,2 мм² ... 2,5 мм² |
| Сечение жесткого провода | 0,2 мм² ... 4 мм² |
| Сечение проводника AWG | 24 ... 14 |
Стандарты и предписания
| Стандарты/нормативные документы | EN 61643-21 2001 + A1:2009 + A2:2013 |
|---|---|
| EN 60079-0 2012 | |
| EN 60079-11 2012 | |
| EN 60079-26 2007 | |
| МЭК 60079-0 2011 | |
| МЭК 60079-11 2011 | |
| МЭК 60079-7 2006 |
Данные по взрывозащищенности
| Максимальная внутренняя емкость Сi | 2 нФ |
|---|---|
| Макс. внутренняя индуктивность Li | 1 мГн |
| Максимальное значение внутренней постоянной времени t (Ri/Li) | 0,1 мкс |
| Максимальный входной ток Ii | 250 мА (TA |
| макс. входное напряжение Ui | 30 В DC |
| макс. входная мощность Pi | 0,75 Вт |
| Температура окружающей среды (при эксплуатации) | -40 °C ... 40 °C (T6 / 85 °C) |
| -40 °C ... 50 °C (T5 / T 100 °C) | |
| -40 °C ... 80 °C (T4 / 135 °C) |
Соответствия / сертификаты
| ATEX | II 1G Ex ia IIC T4...T6 Ga |
|---|---|
| II 1D Ex ia IIIC T135 °C...T85 °C Da | |
| IECEx | Ex ia IIC T4...T6 Ga |
| Ex ia IIIC T135 °C...T85 °C Da |
Environmental Product Compliance
| REACh SVHC | |
|---|---|
| Lead 7439-92-1 | |
| China RoHS | Период времени для применения по назначению (EFUP): 50 лет |
| Информация об опасных веществах приведена в декларации производителя во вкладке «Загрузки» |
Классификация
eCl@ss
| eCl@ss 4.0 | 27140201 |
|---|---|
| eCl@ss 4.1 | 27130801 |
| eCl@ss 5.0 | 27130801 |
| eCl@ss 5.1 | 27130800 |
| eCl@ss 6.0 | 27130800 |
| eCl@ss 7.0 | 27130807 |
| eCl@ss 8.0 | 27130807 |
| eCl@ss 9.0 | 27130807 |
Банковский перевод: счет на оплату формируется после оформления заказа или отправки заявки в произвольной форме на электронную почту info@euro-avtomatika.ru. Специалист свяжется с вами для уточнения деталей.
Самовывоз с нашего склада:
По адресу: Московская область, Люберецкий район, п. Томилино, мкр. Птицефабрика, стр. лит. А, офис 109. Мы есть на Яндекс.Карты.
Доставка до двери
Осуществляется курьерской службой или транспортной компанией (на Ваш выбор).
Мы работаем с ведущими транспортными компаниями и доставляем заказы во все регионы России и Казахстана.
Доставка до терминала
Транспортной компании в Москва – БЕСПЛАТНО.
