Возможные производители: KLEMSAN
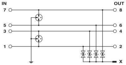
УЗИП в форме монолитного модуля шириной 6,2, устанавливаемого на монтажную рейку, для защиты четырех сигнальных проводников без потенциала земли.
Окружающие условия
| Температура окружающей среды (при эксплуатации) | -40 °C ... 80 °C |
|---|---|
| Температура окружающей среды (хранение/транспорт) | -40 °C ... 80 °C |
| Высота | ≤ 2000 м (amsl (выше уровня моря)) |
| Степень защиты | IP20 |
Общие сведения
| Материал корпуса | PBT |
|---|---|
| Класс воспламеняемости согласно UL 94 | V-0 |
| Цвет | антрацитово-серый RAL 7016 |
| Тип монтажа | Монтажная рейка: 35 мм |
| Конструкция | Модуль для установки на монтажную рейку, неразъемный |
| Направление действие | Line-Line & Line-Earth Ground |
Защитная цепь
| Класс испытания согл. МЭК | C1 |
|---|---|
| C2 | |
| C3 | |
| D1 | |
| Номинальное напряжение UN | 24 В DC |
| Макс. напряжение при длит. нагрузке UC | 36 В DC |
| 25 В AC | |
| Расчетный ток | 500 мА (40 °C) |
| Эффективный рабочий ток IC при UC | ≤ 2 мкA |
| Ток защитного проводника IPE | ≤ 4 мкA |
| Номинальный импульсный ток утечки In (8/20) мкс (проводник-проводник) | 250 A |
| Номинальный импульсный ток утечки In (8/20) мкс (фаза-земля) | 5 кA |
| Отводимый импульсный ток Iimp (10/350) мкс (жила-земля) | 500 A |
| 2 кA (Суммарн.) | |
| Общий максимальный импульсный ток утечки Itotal (8/20) мкс | 20 кA |
| Импульсный ток утечки Imax (8/20) мкс, максимальный (фаза-фаза) | 250 A |
| Импульсный ток утечки Imax (8/20) мкс, максимальный (фаза-земля) | 10 кA |
| 20 кA (Суммарн.) | |
| Номинальный импульсный ток Ian (10/1000)мкс (фаза-фаза) | 50 A |
| Номинальный импульсный ток Ian (10/1000)мкс (фаза-земля) | 50 A |
| 200 A (Суммарн.) | |
| Ограничение выходного напряжения при 1 кВ/мкс, (фаза-фаза), импульсн. | ≤ 60 В |
| Ограничение выходного напряжения при 1 кВ/мкс, (фаза-земля), импульсн. | ≤ 650 В |
| Остаточное напряжение при In (фаза-фаза) | ≤ 60 В |
| Остаточное напряжение при Ian (10/1000) мкс (фаза-фаза) | ≤ 60 В |
| Уровень защиты Up (жила-жила) | ≤ 60 В (C1 - 500 В / 250 А) |
| ≤ 55 В (C3 - 10 A) | |
| ≤ 55 В (C3 - 50 A) | |
| Уровень защиты Up (жила-земля) | ≤ 650 В (C1 - 500 В / 250 А) |
| ≤ 650 В (C2 - 10 кВ / 5 кА) | |
| ≤ 650 В (C3 - 10 A) | |
| ≤ 700 В (C3 - 50 A) | |
| ≤ 700 В (D1 - 500 А) | |
| Время срабатывания tA (фаза-фаза) | ≤ 1 нс |
| Время срабатывания tA (фаза-земля) | ≤ 100 нс |
| Вносимое затухание aE, сим. | тип. 0,3 дБ (2,4 МГц / 50 Ом) |
| тип. 0,3 дБ (700 кГц / 150 Ом) | |
| Максимальная частота fg (3 дБ), сим. в системах сопротивлением 50 Ом | тип. 7,7 МГц |
| Максимальная частота fg (3 дБ), сим. в системах сопротивлением 150 Ом | тип. 2,5 МГц |
| Емкость | ≤ 1,3 нФ (на цепь) |
| Сопротивление на каждую цепь | 0 Ω |
| Сообщение, неисправность устройства для защиты от импульсных перенапряжений | нет |
| Номинал предохранителя, макс. | 500 мА (T) |
| Устойчивость к импульсному току (фаза-фаза) | C1 - 500 В / 250 A |
| C3 - 50 A | |
| Устойчивость к импульсному току (фаза-земля) | C1 - 500 В / 250 А |
| C2 - 10 кВ / 5 кA | |
| C3 - 50 A | |
| D1 - 500 A | |
| Стабильность переменного тока (фаза — земля) | 5 A - 1 с |
Характеристики клемм
| Тип подключения | Винтовые зажимы |
|---|---|
| Резьба винтов | M3 |
| Момент затяжки | 0,8 Нм |
| Длина снятия изоляции | 8 мм |
| Сечение гибкого провода | 0,2 мм² ... 2,5 мм² |
| Сечение жесткого провода | 0,2 мм² ... 2,5 мм² |
| Сечение проводника AWG | 24 ... 14 |
Стандарты и предписания
| Стандарты/нормативные документы | EN 61643-21 A2:2013 |
|---|---|
| EN 60079-0 2012 | |
| EN 60079-11 2012 | |
| EN 60079-26 2007 | |
| МЭК 60079-0 2011 | |
| МЭК 60079-11 2011 | |
| МЭК 60079-7 2006 |
Environmental Product Compliance
| REACh SVHC | |
|---|---|
| Lead 7439-92-1 | |
| China RoHS | Период времени для применения по назначению (EFUP): 50 лет |
| Информация об опасных веществах приведена в декларации производителя во вкладке «Загрузки» |
Классификация
eCl@ss
| eCl@ss 4.0 | 27140201 |
|---|---|
| eCl@ss 4.1 | 27130801 |
| eCl@ss 5.0 | 27130801 |
| eCl@ss 5.1 | 27130800 |
| eCl@ss 6.0 | 27130800 |
| eCl@ss 7.0 | 27130807 |
| eCl@ss 8.0 | 27130807 |
| eCl@ss 9.0 | 27130807 |
Банковский перевод: счет на оплату формируется после оформления заказа или отправки заявки в произвольной форме на электронную почту info@euro-avtomatika.ru. Специалист свяжется с вами для уточнения деталей.
Самовывоз с нашего склада:
По адресу: Московская область, Люберецкий район, п. Томилино, мкр. Птицефабрика, стр. лит. А, офис 109. Мы есть на Яндекс.Карты.
Доставка до двери
Осуществляется курьерской службой или транспортной компанией (на Ваш выбор).
Мы работаем с ведущими транспортными компаниями и доставляем заказы во все регионы России и Казахстана.
Доставка до терминала
Транспортной компании в Москва – БЕСПЛАТНО.
