Возможные производители: KLEMSAN
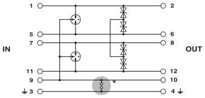
Защитный штекер РТ, со схемой защиты 4-проводной сигнальной цепи без потенциала земли. Номинальное напряжение: 24 В постоянного тока
Преимущества для Вас
- Возможность проверки штекера с помощью CHECKMASTER
- Конструкция из двух частей упрощает обслуживание
- Базовый элемент остается неотъемлемой частью системы
- Съемные устройства защиты сигнальной цепи
- Штекерный модуль может быть извлечен без изменения общего сопротивления для проверки или обслуживания
Размеры
| Высота | 45 мм |
|---|---|
| Ширина | 17,7 мм |
| Глубина | 52 мм |
| Единица шага | 1 TE |
| Комбинированный модуль, высота | 90 мм |
| Ширина комбинированного модуля | 17,7 мм |
| Комбинированный модуль, глубина | 65,5 мм |
Окружающие условия
| Температура окружающей среды (при эксплуатации) | -40 °C ... 85 °C |
|---|---|
| Степень защиты | IP20 |
Общие сведения
| Материал корпуса | PA 6.6 |
|---|---|
| Класс воспламеняемости согласно UL 94 | V-0 |
| Цвет | черный |
| Стандарты для воздушных путей и путей утечки | VDE 0110-1 |
| МЭК 60664-1 | |
| Тип монтажа | на основной элемент |
| Конструкция | Штекер |
| Направление действие | Line-Line & Line-Signal Ground/Shield & optional Signal Ground/Shield-Earth Ground |
| Разрядник проверяется с помощью CHECKMASTER с программным обеспечением версии не ниже: | начиная с ред. SW 1.00 |
Защитная цепь
| Класс испытания согл. МЭК | C1 |
|---|---|
| C2 | |
| C3 | |
| D1 | |
| Класс VDE | C1 |
| C2 | |
| C3 | |
| D1 | |
| Номинальное напряжение UN | 24 В DC |
| Макс. напряжение при длит. нагрузке UC | 27 В DC |
| 19 В AC | |
| Расчетный ток | 2 A (80 °C) |
| Эффективный рабочий ток IC при UC | ≤ 5 мкA |
| Ток защитного проводника IPE | ≤ 4 мкA (с PT 4-BE) |
| ≤ 1 мкA (с PT 4+F-BE) | |
| Номинальный импульсный ток утечки In (8/20) мкс (проводник-проводник) | 365 A |
| Номинальный импульсный ток утечки In (8/20) мкс (фаза-земля) | 10 кA |
| Отводимый импульсный ток Iimp (10/350) мкс | 2,5 кA (на цепь) |
| Общий максимальный импульсный ток утечки Itotal (8/20) мкс | 20 кA |
| Импульсный ток утечки Imax (8/20) мкс, максимальный (фаза-фаза) | 365 A |
| Импульсный ток утечки Imax (8/20) мкс, максимальный (фаза-земля) | 10 кA |
| Номинальный импульсный ток Ian (10/1000)мкс (фаза-фаза) | 67 A |
| Ограничение выходного напряжения при 1 кВ/мкс, (фаза-фаза), импульсн. | ≤ 40 В |
| Ограничение выходного напряжения при 1 кВ/мкс, (фаза-земля), импульсн. | ≤ 450 В (с PT 4-BE) |
| ≤ 1 кВ (с PT 4+F-BE) | |
| Ограничение выходного напряжения при 1 кВ/мкс, (фаза-фаза), статич. | ≤ 40 В |
| Остаточное напряжение при In (фаза-фаза) | ≤ 60 В |
| Остаточное напряжение при Ian (10/1000) мкс (фаза-фаза) | ≤ 45 В |
| Уровень защиты Up (жила-жила) | ≤ 50 В (C1 - 500 В / 250 А) |
| ≤ 45 В (C3 - 67 A) | |
| Уровень защиты Up (жила-земля) | ≤ 500 В (C2 - 10 кВ / 5 кА с PT 4-BE) |
| ≤ 1 кВ (C2 - 10 кВ / 5 кА с PT 4+F-BE) | |
| ≤ 500 В (6 кВ / 3 кА) | |
| Время срабатывания tA (фаза-фаза) | ≤ 1 нс |
| Время срабатывания tA (фаза — масса сигнала) | ≤ 1 нс |
| Время срабатывания tA (фаза-земля) | ≤ 100 нс |
| Вносимое затухание aE, сим. | 0,1 дБ (≤ 1 МГц) |
| 0,1 дБ (≤1 МГц / 50 Ом) | |
| 0,2 дБ (≤ 400 кГц / 150 Ом) | |
| Максимальная частота fg (3 дБ), сим. в системах сопротивлением 50 Ом | тип. 4,5 МГц |
| Максимальная частота fg (3 дБ), сим. в системах сопротивлением 150 Ом | тип. 1,5 МГц |
| Сопротивление на каждую цепь | 0 Ω |
| Сообщение, неисправность устройства для защиты от импульсных перенапряжений | нет |
| Устойчивость к импульсному току (фаза-фаза) | C1 - 500 В / 250 A |
| C3 - 25 A | |
| Устойчивость к импульсному току (фаза-земля) | C2 - 10 кВ / 5 кA |
| D1 - 2,5 kA |
Характеристики клемм
| Тип подключения | Винтовые зажимы (вместе с базовым элементом) |
|---|---|
| Резьба винтов | M3 |
| Момент затяжки | 0,8 Нм |
| Длина снятия изоляции | 8 мм |
| Сечение гибкого провода | 0,2 мм² ... 2,5 мм² |
| Сечение жесткого провода | 0,2 мм² ... 4 мм² |
| Сечение проводника AWG | 24 ... 12 |
Подключение с выравниванием потенциалов
| Длина снятия изоляции | 8 мм |
|---|---|
| Сечение гибкого проводника мин. | 0,2 мм² |
| Сечение гибкого проводника макс. | 2,5 мм² |
| Сечение жесткого проводника мин. | 0,2 мм² |
| Сечение жесткого проводника макс. | 4 мм² |
| Сечение провода AWG мин. | 24 |
| Сечение провода AWG макс. | 12 |
Стандарты и предписания
| Стандарты / нормативные документы | МЭК 61643-21 |
|---|---|
| DIN EN 61643-21 | |
| UL 497B | |
| Стандарты/нормативные документы | EN 61643-21/A1 2009 |
| IEC 61643-21/A1 2008 | |
| UL 497B |
Environmental Product Compliance
| REACh SVHC | |
|---|---|
| Lead 7439-92-1 | |
| China RoHS | Период времени для применения по назначению (EFUP): 50 лет |
| Информация об опасных веществах приведена в декларации производителя во вкладке «Загрузки» |
Классификация
eCl@ss
| eCl@ss 4.0 | 27140201 |
|---|---|
| eCl@ss 4.1 | 27130801 |
| eCl@ss 5.0 | 27130801 |
| eCl@ss 5.1 | 27130800 |
| eCl@ss 6.0 | 27130800 |
| eCl@ss 7.0 | 27130807 |
| eCl@ss 8.0 | 27130807 |
| eCl@ss 9.0 | 27130807 |
Банковский перевод: счет на оплату формируется после оформления заказа или отправки заявки в произвольной форме на электронную почту info@euro-avtomatika.ru. Специалист свяжется с вами для уточнения деталей.
Самовывоз с нашего склада:
По адресу: Московская область, Люберецкий район, п. Томилино, мкр. Птицефабрика, стр. лит. А, офис 109. Мы есть на Яндекс.Карты.
Доставка до двери
Осуществляется курьерской службой или транспортной компанией (на Ваш выбор).
Мы работаем с ведущими транспортными компаниями и доставляем заказы во все регионы России и Казахстана.
Доставка до терминала
Транспортной компании в Москва – БЕСПЛАТНО.
