Возможные производители: KLEMSAN
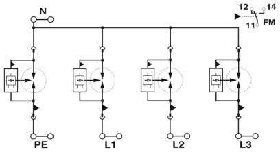
Вставной грозозащитный разрядник, соотв. типу 1 / класс I, для 3-фазных сетей питания, с раздельными проводниками PE и N (L1, L2, L3, PE, N).
Преимущества для Вас
- Искровой разрядник без сетевых сопровождающих токов
- Без тока утечки, подходит для применения в система предварительного подсчета
- Высокое длительное напряжение 350 В AC для сетей 230/400 В AC с сильными колебаниями напряжения
- Вставной
- Низкий уровень защиты: 1,5 кВ
- Оптический, механический индикатор состояния
- С сухим контактом для дистанционной передачи сигналов
- Возможность проверки штекера с помощью CHECKMASTER 2
Размеры
| Высота | 95,2 мм |
|---|---|
| Ширина | 142,4 мм |
| Глубина | 74,5 мм (вкл. монтажная рейка 7,5 мм) |
| Единица шага | 8 TE |
Окружающие условия
| Степень защиты | IP20 (только при использовании всех клеммных зажимов) |
|---|---|
| Температура окружающей среды (при эксплуатации) | -40 °C ... 80 °C |
| Температура окружающей среды (хранение/транспорт) | -40 °C ... 80 °C |
| Высота | ≤ 2000 м (amsl (выше уровня моря)) |
| Допустимая отн. влажность воздуха (при эксплуатации) | 5 % ... 95 % |
| Удары (при эксплуатации) | 30г (Полусинусоида / 11 мс / 3x X, Y, Z) |
| Вибрация (при эксплуатации) | 5г (5 - 500 Гц / 2,5 ч / X, Y, Z) |
Общие сведения
| Класс испытания согл. МЭК | I / II |
|---|---|
| T1 / T2 | |
| T1 | |
| I | |
| Тип EN | T1 / T2 |
| T1 | |
| Система энергоснабжения IEC | TN-S |
| TT | |
| Защитная цепь | L-N |
| L-PE | |
| N-PE | |
| Тип монтажа | Монтажная рейка: 35 мм |
| Цвет | светло-серый RAL 7035 |
| серый цвет A RAL 7042 | |
| Материал корпуса | PA 6.6-FR 20 % GF |
| PBT-FR | |
| Степень загрязнения | 2 |
| Класс воспламеняемости согласно UL 94 | V-0 |
| Конструкция | Модуль для установки на монтажную рейку, состоящий из двух частей, закрепляется на защелках |
| Полюсов | 4 |
| Сообщение, неисправность устройства для защиты от импульсных перенапряжений | световая, контакт для дистанционной передачи сигнала |
Защитная цепь
| Номинальное напряжение UN | 240/415 В AC (TN-S) |
|---|---|
| 240/415 В AC (TT) | |
| Номинальная частота fN | 50 Гц (60 Гц) |
| Макс. напряжение при длит. нагрузке UC | 350 В AC |
| Номинальный ток IL | 125 A ( |
| Ток защитного проводника IPE | ≤ 0,01 мА |
| Номинальный импульсный разрядный ток In (8/20) мкс (L-N) | 25 кA |
| Номинальный импульсный ток утечки In (8/20) мкс (L-PE) | 25 кA |
| Номинальный импульсный разрядный ток In (8/20) мкс (N-PE) | 100 кA |
| Максимальный импульсный ток утечки Imax (8/20) мкс (L-N) | 50 кA |
| Максимальный импульсный ток утечки Imax (8/20) мкс (L-PE) | 50 кA |
| Испытательный разрядный ток (10/350) мкс (L-N), зарядка | 12,5 Ас |
| Испытательный разрядный ток (10/350) мкс (L-N), удельная энергия | 160 кДж/Ω |
| Испытательный разрядный ток (10/350) мкс (L-N), пиковое значение тока Iimp | 25 кA |
| Испытательный разрядный ток (10/350) мкс (L-PE), зарядка | 12,5 Ас |
| Испытательный разрядный ток (10/350) мкс (L-PE), удельная энергия | 160 кДж/Ω |
| Испытательный разрядный ток (10/350) мкс (L-PE), пиковое. значение тока Iimp | 25 кA |
| Испытательный разрядный ток (10/350) мкс (N-PE), зарядка | 50 Ас |
| Испытательный разрядный ток (10/350) мкс (N-PE), удельная энергия | 2500 кДж/Ω |
| Испытательный разрядный ток (10/350) мкс (N-PE), пиковое значение тока Iimp | 100 кA |
| Общий максимальный импульсный ток утечки Itotal (10/350) мкс | 100 кA |
| Способность к гашению сопровождающего тока Ifi (L-N) | 50 кA |
| Способность к гашению сопровождающего тока Ifi (N-PE) | 100 A |
| Стойкость к короткому замыканию ISCCR | 50 кA |
| Уровень защиты Up (L-N) | ≤ 1,5 кВ |
| Уровень защиты Up (L-PE) | ≤ 2,5 кВ |
| Уровень защиты Up (N-PE) | ≤ 1,5 кВ |
| Остаточное напряжение Ures (L-N) | ≤ 1,5 кВ (при In) |
| Остаточное напряжение Ures (L-PE) | ≤ 2,5 кВ (при In) |
| Остаточное напряжение Ures (N-PE) | ≤ 1,5 кВ (при In) |
| Характеристика TOV при UT (L-N) | 415 В AC (5 с / режим устойчивости) |
| 457 В AC (120 мин / режим устойчивости) | |
| Характеристика TOV при UT (N-PE) | 1200 В AC (200 мс / режим устойчивости) |
| Время срабатывания tA | ≤ 100 нс |
| Макс. номинал входного предохранителя при V-образном проходном подключении | 125 A (gG) |
| Макс. номинал входного предохранителя при подключении ответвлений | 315 A (gG) |
Дополнительные технические данные
| Способность к гашению токов последействия Ifi (L-N) | 100 кA (264 В AC) |
|---|---|
| Стойкость к короткому замыканию ISCCR | 100 кA (264 В AC) |
| Максимальный импульсный ток утечки Imax (8/20) мкс | 100 кA (AS NZS 1768:2007) |
Индикатор / Дистанционная сигнализация
| Функция переключения | Переключающий контакт |
|---|---|
| Рабочее напряжение | 12 В AC ... 250 В AC |
| 125 В DC (200 мА DC) | |
| Рабочий ток | 10 мA AC ... 1 A AC |
| 1 A DC (30 В DC) | |
| Тип подключения | Штекерное / винтовое подключение COMBICON |
| Резьба винтов | M2 |
| Момент затяжки | 0,25 Нм |
| Длина снятия изоляции | 7 мм |
| Сечение гибкого провода | 0,14 мм² ... 1,5 мм² |
| Сечение жесткого провода | 0,14 мм² ... 1,5 мм² |
| Сечение проводника AWG | 28 ... 16 |
Параметры соединения
| Тип подключения | Винтовые зажимы |
|---|---|
| Резьба винтов | M5 |
| Момент затяжки | 4,5 Нм |
| Длина снятия изоляции | 18 мм |
| Сечение гибкого провода | 2,5 мм² ... 35 мм² |
| Сечение жесткого провода | 2,5 мм² ... 35 мм² |
| Сечение проводника AWG | 13 ... 2 |
| Тип подключения | Вилочный наконечник |
| Сечение гибкого провода | 1,5 мм² ... 16 мм² |
Спецификации UL
| Тип SPD | 2CA |
|---|---|
| Максимальное напряжение длительной нагрузки MCOV (L-L) | 700 В AC |
| Максимальное напряжение длительной нагрузки MCOV (L-N) | 350 В AC |
| Максимальное напряжение длительной нагрузки MCOV (L-G) | 350 В AC |
| Максимальное напряжение длительной нагрузки MCOV (N-G) | 350 В AC |
| Номинальное напряжение | 240/415 В AC |
| Номинальный ток IL | 50 A |
| Защитная цепь | L-L |
| L-N | |
| L-G | |
| N-G | |
| Система распределения энергии | Wye |
| Номинальная частота | 50/60 Гц |
| Ограничитель номинального напряжения VPR (L-L) | 2000 В |
| Ограничитель номинального напряжения VPR (L-N) | 1500 В |
| Ограничитель номинального напряжения VPR (L-G) | 1500 В |
| Ограничитель номинального напряжения VPR (N-G) | 1200 В |
| Номинальный импульсный разрядный ток In | 20 кA |
| Стойкость к короткому замыканию (SCCR) | 50 кA |
Индикатор / дистанционная сигнализация UL
| Рабочее напряжение | 125 В AC |
|---|---|
| Рабочий ток | 1 A AC |
| Момент затяжки | 4 lbf-in. |
| Сечение проводника AWG | 30 ... 14 |
Environmental Product Compliance
| REACh SVHC | Lead 7439-92-1 |
|---|---|
| China RoHS | Период времени для применения по назначению (EFUP): 50 лет |
| Информация об опасных веществах приведена в декларации производителя во вкладке «Загрузки» |
Классификация
Банковский перевод: счет на оплату формируется после оформления заказа или отправки заявки в произвольной форме на электронную почту info@euro-avtomatika.ru. Специалист свяжется с вами для уточнения деталей.
Самовывоз с нашего склада:
По адресу: Московская область, Люберецкий район, п. Томилино, мкр. Птицефабрика, стр. лит. А, офис 109. Мы есть на Яндекс.Карты.
Доставка до двери
Осуществляется курьерской службой или транспортной компанией (на Ваш выбор).
Мы работаем с ведущими транспортными компаниями и доставляем заказы во все регионы России и Казахстана.
Доставка до терминала
Транспортной компании в Москва – БЕСПЛАТНО.
