Возможные производители: KLEMSAN
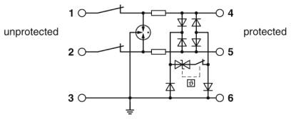
Устройство защиты от перенапряжений, со встроенным индикатором состояния для трех сигнальных проводников с общим опорным потенциалом. Для высокочастотных приложений и телекоммуникационных интерфейсов без напряжения питания (до 90 Мбит/с).
Преимущества для Вас
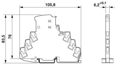
- Компактная установка благодаря небольшой ширине всего 6,2 мм
- Сигнализация без дополнительной энергии при помощи механического индикатора статуса
- Быстрая установка устройств защиты от перенапряжений без использования инструмента благодаря технологии подключения Push-in
- Опциональный модуль удаленного оповещения контролирует до 40 устройств без дополнительной разводки
- Простое прерывание сигнальных цепей вертикальным ножевым размыкателем с целью выполнения обслуживания
- Безопасная эксплуатация при перегрузке благодаря встроенному механизму разъединения
Окружающие условия
| Температура окружающей среды (при эксплуатации) | -40 °C ... 85 °C |
|---|---|
| Температура окружающей среды (хранение/транспорт) | -40 °C ... 85 °C |
| Высота | ≤ 4000 м (amsl (выше уровня моря)) |
| Степень защиты | IP20 |
Общие сведения
| Материал корпуса | PBT |
|---|---|
| Класс воспламеняемости согласно UL 94 | V-0 |
| Цвет | серый цвет A RAL 7042 |
| Тип монтажа | Монтажная рейка: TH 35 - 7,5 mm |
| Конструкция | Модуль для установки на монтажную рейку, неразъемный |
| Направление действие | Line-Line & Line-Signal Ground/Shield & optional Signal Ground/Shield-Earth Ground |
Защитная цепь
| Класс испытания согл. МЭК | C1 |
|---|---|
| C2 | |
| C3 | |
| D1 | |
| Номинальное напряжение UN | 12 В DC |
| Макс. напряжение при длит. нагрузке UC | 15 В DC |
| 10 В AC | |
| Расчетный ток | 600 мА (40 °C) |
| Эффективный рабочий ток IC при UC | ≤ 100 мкA |
| Ток защитного проводника IPE | ≤ 200 мкA |
| Номинальный импульсный ток утечки In (8/20) мкс (проводник-проводник) | 5 кA |
| Номинальный импульсный ток утечки In (8/20) мкс (фаза-земля) | 5 кA |
| Отводимый импульсный ток Iimp (10/350) мкс (жила-земля) | 0,5 кA |
| Общий максимальный импульсный ток утечки Itotal (8/20) мкс | 10 кA |
| Уровень защиты Up (жила-жила) | ≤ 145 В (C1 - 1 кВ/500 A) |
| ≤ 120 В (C2 - 10 кВ / 5 кА) | |
| ≤ 25 В (C3 - 25 A) | |
| ≤ 30 В (C3 - 100 A) | |
| Уровень защиты Up (жила-земля) | ≤ 80 В (C1 - 1 кВ/500 A) |
| ≤ 80 В (C2 - 10 кВ / 5 кА) | |
| ≤ 25 В (C3 - 25 A) | |
| ≤ 30 В (C3 - 100 A) | |
| Уровень защиты Up, статический (жила-жила) | ≤ 40 В (C1 - 1 кВ/500 A) |
| ≤ 95 В (C2 - 10 кВ / 5 кА) | |
| Уровень защиты Up, статический (жила-земля) | ≤ 40 В (C1 - 1 кВ/500 A) |
| ≤ 95 В (C2 - 10 кВ / 5 кА) | |
| Время срабатывания tA (фаза-фаза) | ≤ 1 нс |
| Время срабатывания tA (фаза-земля) | ≤ 1 нс |
| Вносимое затухание aE, сим. | тип. 0,3 дБ (≤ 8,7 МГц / 150 Ω) |
| Вносимое затухание aE, асим. | тип. 0,3 дБ (≤ 10,5 МГц / 150 Ω) |
| Максимальная частота fg (3 дБ), сим. в системах сопротивлением 150 Ом | тип. 60 МГц |
| Максимальная частота fg (3 дБ), асим. (PE) в системах сопротивлением 150 Ом | тип. 60 МГц |
| Емкость (фаза-фаза) | тип. 32 пФ |
| Емкость (фаза-земля) | тип. 32 пФ |
| Сопротивление на каждую цепь | 1,65 Ω ±20 % |
| Номинал предохранителя, макс. | 630 мА (FF) |
| Устойчивость к импульсному току (фаза-фаза) | C1 - 1 кВ / 500 A |
| C2 - 10 кВ / 5 кA | |
| C3 - 100 A | |
| Устойчивость к импульсному току (фаза-земля) | C1 - 1 кВ / 500 A |
| C2 - 10 кВ / 5 кA | |
| C3 - 100 A | |
| D1 - 500 A | |
| Время сброса импульса (фаза-фаза) | ≤ 30 мс |
| Время сброса импульса (фаза-земля) | ≤ 30 мс |
Характеристики клемм
| Тип подключения | Зажимы Push-in |
|---|---|
| Длина снятия изоляции | 8 мм |
| Сечение гибкого провода | 0,2 мм² ... 2,5 мм² |
| Сечение жесткого провода | 0,2 мм² ... 4 мм² |
| Сечение проводника AWG | 24 ... 12 |
Стандарты и предписания
| Стандарты/нормативные документы | МЭК 61643-21 2000 + поправка 2001 + A1:2008, измененный + A2:2012 |
|---|---|
| EN 61643-21 2001 + A1:2009 + A2:2013 |
Environmental Product Compliance
| REACh SVHC | Lead 7439-92-1 |
|---|---|
| China RoHS | Период времени для применения по назначению (EFUP): 50 лет |
| Информация об опасных веществах приведена в декларации производителя во вкладке «Загрузки» |
Классификация
Банковский перевод: счет на оплату формируется после оформления заказа или отправки заявки в произвольной форме на электронную почту info@euro-avtomatika.ru. Специалист свяжется с вами для уточнения деталей.
Самовывоз с нашего склада:
По адресу: Московская область, Люберецкий район, п. Томилино, мкр. Птицефабрика, стр. лит. А, офис 109. Мы есть на Яндекс.Карты.
Доставка до двери
Осуществляется курьерской службой или транспортной компанией (на Ваш выбор).
Мы работаем с ведущими транспортными компаниями и доставляем заказы во все регионы России и Казахстана.
Доставка до терминала
Транспортной компании в Москва – БЕСПЛАТНО.
