Возможные производители: KLEMSAN
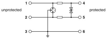
Устройство защиты от перенапряжений для 2-проводной сигнальной цепи без потенциала земли, напр. токовых контуров 0(4) ... 20 мА, с поддержкой HART.
Окружающие условия
| Температура окружающей среды (при эксплуатации) | -40 °C ... 85 °C |
|---|---|
| Температура окружающей среды (хранение/транспорт) | -40 °C ... 85 °C |
| Высота | ≤ 4000 м (amsl (выше уровня моря)) |
| Степень защиты | IP20 (с торцевой крышкой) |
Общие сведения
| Материал корпуса | PBT |
|---|---|
| Класс воспламеняемости согласно UL 94 | V-0 |
| Цвет | серый цвет A RAL 7042 |
| Тип монтажа | Монтажная рейка: TH 35 - 7,5 mm |
| Конструкция | Модуль для установки на монтажную рейку, неразъемный |
| Направление действие | Line-Line & Line-Signal Ground/Shield & optional Signal Ground/Shield-Earth Ground |
Защитная цепь
| Класс испытания согл. МЭК | C1 |
|---|---|
| C2 | |
| C3 | |
| D1 | |
| Номинальное напряжение UN | 24 В DC |
| Макс. напряжение при длит. нагрузке UC | 30 В DC |
| 21 В AC | |
| Расчетный ток | 250 мА (70 °C) |
| Эффективный рабочий ток IC при UC | ≤ 1 мкA |
| Ток защитного проводника IPE | ≤ 1 мкA |
| Номинальный импульсный ток утечки In (8/20) мкс (проводник-проводник) | 5 кA |
| Номинальный импульсный ток утечки In (8/20) мкс (фаза-земля) | 5 кA |
| Отводимый импульсный ток Iimp (10/350) мкс (жила-земля) | 0,5 кA |
| Общий максимальный импульсный ток утечки Itotal (8/20) мкс | 10 кA |
| Уровень защиты Up (жила-жила) | ≤ 50 В (C1 - 500 В / 250 А) |
| ≤ 70 В (C2 - 10 кВ / 5 кА) | |
| ≤ 45 В (C3 - 30 A) | |
| Уровень защиты Up (жила-земля) | ≤ 1000 В (C2 - 10 кВ / 5 кА) |
| ≤ 1000 В (C3 - 100 A) | |
| Уровень защиты Up, статический (жила-жила) | ≤ 50 В (C1 - 1 кВ/500 A) |
| Время срабатывания tA (фаза-фаза) | ≤ 1 нс |
| Вносимое затухание aE, сим. | тип. 0,3 дБ (≤ 600 кГц / 150 Ω) |
| Максимальная частота fg (3 дБ), сим. в системах сопротивлением 150 Ом | тип. 2,4 МГц |
| Емкость (фаза-фаза) | тип. 1 нФ |
| Сопротивление на каждую цепь | 2,2 Ω ±10 % |
| Устойчивость к импульсному току (фаза-фаза) | C1 - 500 В / 250 A |
| C2 - 10 кВ / 5 кA | |
| C3 - 30 A | |
| Устойчивость к импульсному току (фаза-земля) | C2 - 10 кВ / 5 кA |
| C3 - 100 A | |
| D1 - 500 A | |
| Время сброса импульса (фаза-фаза) | ≤ 30 мс |
Характеристики клемм
| Тип подключения | Зажимы Push-in |
|---|---|
| Длина снятия изоляции | 8 мм |
| Сечение гибкого провода | 0,2 мм² ... 1,5 мм² |
| Сечение гибкого проводника с кабельным наконечником и изолирующим хомутом | 0,2 мм² ... 1 мм² |
| Сечение гибкого проводника с кабельным наконечником, без пластмассовой втулки | 0,2 мм² ... 1,5 мм² |
| Сечение жесткого провода | 0,2 мм² ... 1,5 мм² |
| Сечение проводника AWG | 24 ... 16 |
Стандарты и предписания
| Стандарты/нормативные документы | МЭК 61643-21 2000 + поправка 2001 + A1:2008, измененный + A2:2012 |
|---|---|
| EN 61643-21 2001 + A1:2009 + A2:2013 |
Environmental Product Compliance
| REACh SVHC | Lead 7439-92-1 |
|---|---|
| China RoHS | Период времени для применения по назначению (EFUP): 50 лет |
| Информация об опасных веществах приведена в декларации производителя во вкладке «Загрузки» |
Классификация
Банковский перевод: счет на оплату формируется после оформления заказа или отправки заявки в произвольной форме на электронную почту info@euro-avtomatika.ru. Специалист свяжется с вами для уточнения деталей.
Самовывоз с нашего склада:
По адресу: Московская область, Люберецкий район, п. Томилино, мкр. Птицефабрика, стр. лит. А, офис 109. Мы есть на Яндекс.Карты.
Доставка до двери
Осуществляется курьерской службой или транспортной компанией (на Ваш выбор).
Мы работаем с ведущими транспортными компаниями и доставляем заказы во все регионы России и Казахстана.
Доставка до терминала
Транспортной компании в Москва – БЕСПЛАТНО.
