Возможные производители: KLEMSAN
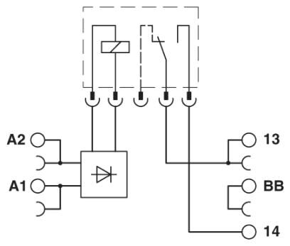
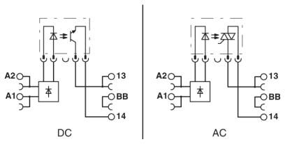
6,2 мм основная клемма PLC для функций вывода, с винтовым зажимом, без реле или полупроводниковых реле, для монтажной рейки NS 35/7,5, с подсоединением обратного проводника нагрузки (BB), 1 замыкающий контакт, входное напряжение 5 В DC
Условия окружающей среды
| Температура окружающей среды (при эксплуатации) | -25 °C ... 60 °C |
|---|---|
| Температура окружающей среды (хранение/транспорт) | -40 °C ... 85 °C |
Входные данные
| Входное номинальное напряжение UN | 5 В DC |
|---|---|
| Индикатор состояния | СИД |
| Защитная схема | Нулевой диод, диод защиты от переполюсовки |
| Защитный диод |
Параметры подключения 1
| Наименование, подключение | Сторона входа |
|---|---|
| Тип подключения | Винтовые зажимы |
| Длина снятия изоляции | 8 мм |
| Резьба винтов | M3 |
| Сечение жесткого провода | 0,14 мм² ... 2,5 мм² |
| Сечение гибкого провода | 0,14 мм² ... 2,5 мм² |
| 0,2 мм² ... 2,5 мм² (Отдельный кабельный наконечник) | |
| 2x 0,5 мм² ... 1,5 мм² (Сдвоенный кабельный наконечник) | |
| Сечение проводника AWG | 26 ... 14 |
Параметры подключения 2
| Наименование, подключение | Сторона выхода |
|---|---|
| Тип подключения | Винтовые зажимы |
| Длина снятия изоляции | 8 мм |
| Резьба винтов | M3 |
| Сечение жесткого провода | 0,14 мм² ... 2,5 мм² |
| Сечение гибкого провода | 0,14 мм² ... 2,5 мм² |
| 0,2 мм² ... 2,5 мм² (Отдельный кабельный наконечник) | |
| 2x 0,5 мм² ... 1,5 мм² (Сдвоенный кабельный наконечник) | |
| Сечение проводника AWG | 26 ... 14 |
Общие сведения
| Защитная схема | Нулевой диод, диод защиты от переполюсовки |
|---|---|
| Цвет | cерый |
| Режим работы | 100 % ED |
| Монтажное положение | на выбор |
| Указания по монтажу | устанавливаются в ряд без промежутков |
Environmental Product Compliance
| REACh SVHC | |
|---|---|
| Lead 7439-92-1 | |
| China RoHS | Период времени для применения по назначению (EFUP): 50 лет |
| Информация об опасных веществах приведена в декларации производителя во вкладке «Загрузки» |
Классификация
eCl@ss
| eCl@ss 5.0 | 27371603 |
|---|---|
| eCl@ss 5.1 | 27371600 |
| eCl@ss 6.0 | 27371600 |
| eCl@ss 7.0 | 27371603 |
| eCl@ss 8.0 | 27371603 |
| eCl@ss 9.0 | 27371603 |
Банковский перевод: счет на оплату формируется после оформления заказа или отправки заявки в произвольной форме на электронную почту info@euro-avtomatika.ru. Специалист свяжется с вами для уточнения деталей.
Самовывоз с нашего склада:
По адресу: Московская область, Люберецкий район, п. Томилино, мкр. Птицефабрика, стр. лит. А, офис 109. Мы есть на Яндекс.Карты.
Доставка до двери
Осуществляется курьерской службой или транспортной компанией (на Ваш выбор).
Мы работаем с ведущими транспортными компаниями и доставляем заказы во все регионы России и Казахстана.
Доставка до терминала
Транспортной компании в Москва – БЕСПЛАТНО.