Технические характеристики для подтверждения типа конструкции |
|||
Номинальный ток для указания потери мощности |
In | A | 0 |
Потеря мощности на полюс, в зависимости от тока |
Pvid | W | 0 |
Потеря мощности оборудования, в зависимости от тока |
Pvid | W | 0 |
Статическая потеря мощности, не зависит от тока |
Pvs | W | 0 |
Способность отдавать потери мощности |
Pve | W | 0 |
Мин. рабочая температура |
°C | -25 | |
Макс. рабочая температура |
°C | 70 | |
Проверка конструкции IEC/EN 61439 |
|||
10.2 твёрдость материалов и деталей |
|||
10.2.2 Коррозионная стойкость |
Требования производственного стандарта выполнены. | ||
10.2.3.1 Нагревостойкость изоляции |
Требования производственного стандарта выполнены. | ||
10.2.3.2 Сопротивление изоляционных материалов при обычном нагреве |
Требования производственного стандарта выполнены. | ||
10.2.3.3 Сопротивление изоляционных материалов при сильном нагреве |
Требования производственного стандарта выполнены. | ||
10.2.4 Устойчивость к ультрафиолетовому излучению |
По запросу | ||
10.2.5 Подъём |
Не имеет значения, поскольку необходимо оценить всё коммутационное оборудование. | ||
10.2.6 Испытание на удар |
Не имеет значения, поскольку необходимо оценить всё коммутационное оборудование. | ||
10.2.7 Ярлыки |
Требования производственного стандарта выполнены. | ||
10.3 Класс защиты изоляции |
Не имеет значения, поскольку необходимо оценить всё коммутационное оборудование. | ||
10.4 Воздушные промежутки и пути утечки тока |
Требования производственного стандарта выполнены. | ||
10.5 Защита от удара электрическим током |
Не имеет значения, поскольку необходимо оценить всё коммутационное оборудование. | ||
10.6 Монтаж оборудования |
Не имеет значения, поскольку необходимо оценить всё коммутационное оборудование. | ||
10.7 Внутренние электрические цепи и соединения |
Находится в сфере ответственности компании, монтирующей распределительные устройства. | ||
10.8 Подключения проводов, введённых снаружи |
Находится в сфере ответственности компании, монтирующей распределительные устройства. | ||
10.9 Свойства изоляции |
|||
10.9.2 Электрическая прочность при рабочей частоте |
Находится в сфере ответственности компании, монтирующей распределительные устройства. | ||
10.9.3 Прочность по отношению к импульсному напряжению |
Находится в сфере ответственности компании, монтирующей распределительные устройства. | ||
10.9.4 Проверка оболочек кабелей из изолирующего материала |
Находится в сфере ответственности компании, монтирующей распределительные устройства. | ||
10.10 Нагрев |
Неприемлемо. | ||
10.11 Стойкость к коротким замыканиям |
Находится в сфере ответственности компании, монтирующей распределительные устройства. Соблюдать указания для коммутационных устройств. | ||
10.12 Электромагнитная совместимость |
Находится в сфере ответственности компании, монтирующей распределительные устройства. Соблюдать указания для коммутационных устройств. | ||
10.13 Механическая функция |
Для устройства требования считаются выполненными, если были соблюдены данные инструкции по монтажу (IL). |
| Low-voltage industrial components (EG000017) / Empty enclosure for switchgear (EC000712) | |||
| Electric engineering, automation, process control engineering / Low-voltage switch technology / Component for low-voltage switching technology / Empty housing for switch devices (ecl@ss8.1-27-37-13-01 [AKN343011]) | |||
Material housing |
Plastic | ||
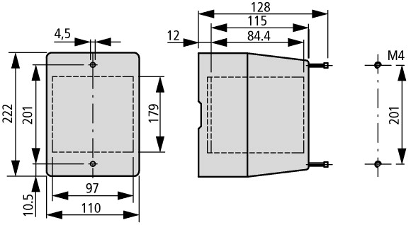
Width |
mm | 110 | |
Height |
mm | 222 | |
Depth |
mm | 128 | |
With transparent cover |
Yes | ||
Suitable for emergency stop |
No | ||
Model |
Surface mounting | ||
Degree of protection (IP) |
IP55 |
Банковский перевод: счет на оплату формируется после оформления заказа или отправки заявки в произвольной форме на электронную почту info@euro-avtomatika.ru. Специалист свяжется с вами для уточнения деталей.
Самовывоз с нашего склада:
По адресу: Московская область, Люберецкий район, п. Томилино, мкр. Птицефабрика, стр. лит. А, офис 109. Мы есть на Яндекс.Карты.
Доставка до двери
Осуществляется курьерской службой или транспортной компанией (на Ваш выбор).
Мы работаем с ведущими транспортными компаниями и доставляем заказы во все регионы России и Казахстана.
Доставка до терминала
Транспортной компании в Москва – БЕСПЛАТНО.