Ассортимент |
Дополнительное оснащение | ||
Принадлежности |
Прокладки | ||
Стандарт/сертификат |
UL/CSA, IEC | ||
Типоразмер |
NZM1/2 | ||
Описание |
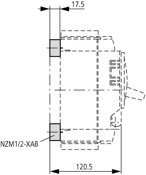
Обеспечивает быстрый и выгодный выбор среди различных типоразмеров с поворотной ручкой/без неё или дистанционного привода на ту же самую глубину спереди |
||
Применяемое для |
NZM1(-4), PN1(-4), N(S)1(-4) NZM2(-4), PN2(-4), N(S)2(-4) |
||
|
указания Глубина растра 17,5 мм, резьба M4 Комплект включает 4 прокладки Максимальное оснащение, включает в себя: NZM1: 4 штуки на крепёжный винт, NZM2: 2 штуки на крепёжный винт 2 (NZM1) или 4 (NZM2) крепёжных винта на выключатель |
Проверка конструкции IEC/EN 61439 |
|||
10.2 твёрдость материалов и деталей |
|||
10.2.2 Коррозионная стойкость |
Требования производственного стандарта выполнены. | ||
10.2.3.1 Нагревостойкость изоляции |
Требования производственного стандарта выполнены. | ||
10.2.3.2 Сопротивление изоляционных материалов при обычном нагреве |
Требования производственного стандарта выполнены. | ||
10.2.3.3 Сопротивление изоляционных материалов при сильном нагреве |
Требования производственного стандарта выполнены. | ||
10.2.4 Устойчивость к ультрафиолетовому излучению |
Требования производственного стандарта выполнены. | ||
10.2.5 Подъём |
Не имеет значения, поскольку необходимо оценить всё коммутационное оборудование. | ||
10.2.6 Испытание на удар |
Не имеет значения, поскольку необходимо оценить всё коммутационное оборудование. | ||
10.2.7 Ярлыки |
Требования производственного стандарта выполнены. | ||
10.3 Класс защиты изоляции |
Не имеет значения, поскольку необходимо оценить всё коммутационное оборудование. | ||
10.4 Воздушные промежутки и пути утечки тока |
Требования производственного стандарта выполнены. | ||
10.5 Защита от удара электрическим током |
Не имеет значения, поскольку необходимо оценить всё коммутационное оборудование. | ||
10.6 Монтаж оборудования |
Не имеет значения, поскольку необходимо оценить всё коммутационное оборудование. | ||
10.7 Внутренние электрические цепи и соединения |
Находится в сфере ответственности компании, монтирующей распределительные устройства. | ||
10.8 Подключения проводов, введённых снаружи |
Находится в сфере ответственности компании, монтирующей распределительные устройства. | ||
10.9 Свойства изоляции |
|||
10.9.2 Электрическая прочность при рабочей частоте |
Находится в сфере ответственности компании, монтирующей распределительные устройства. | ||
10.9.3 Прочность по отношению к импульсному напряжению |
Находится в сфере ответственности компании, монтирующей распределительные устройства. | ||
10.9.4 Проверка оболочек кабелей из изолирующего материала |
Находится в сфере ответственности компании, монтирующей распределительные устройства. | ||
10.10 Нагрев |
Расчёт параметров нагрева находится в сфере ответственности компании, монтирующей распределительные устройства. Компания Eaton указывает данные по потере мощности устройств. | ||
10.11 Стойкость к коротким замыканиям |
Находится в сфере ответственности компании, монтирующей распределительные устройства. Соблюдать указания для коммутационных устройств. | ||
10.12 Электромагнитная совместимость |
Находится в сфере ответственности компании, монтирующей распределительные устройства. Соблюдать указания для коммутационных устройств. | ||
10.13 Механическая функция |
Для устройства требования считаются выполненными, если были соблюдены данные инструкции по монтажу (IL). |
| Fasteners (EG000049) / Spacer sleeve (EC002334) | |||
| Machine element, fixing, mounting / Fastening aids / Fastening aids (accessories) / Distance sleeve (ecl@ss8.1-23-15-92-02 [ADH976004]) | |||
Material |
Plastic | ||
Material quality |
Polyamide PA | ||
Surface protection |
- | ||
Inner diameter |
mm | 0 | |
Outer diameter |
mm | 28 | |
Length |
mm | 17.5 |
| Product Standards | UL489; CSA-C22.2 No. 5-09; IEC60947, CE marking | ||
| UL File No. | E140305 | ||
| UL Category Control No. | DIHS | ||
| CSA File No. | 022086 | ||
| CSA Class No. | 1437-01 | ||
| North America Certification | UL listed, CSA certified |
Банковский перевод: счет на оплату формируется после оформления заказа или отправки заявки в произвольной форме на электронную почту info@euro-avtomatika.ru. Специалист свяжется с вами для уточнения деталей.
Самовывоз с нашего склада:
По адресу: Московская область, Люберецкий район, п. Томилино, мкр. Птицефабрика, стр. лит. А, офис 109. Мы есть на Яндекс.Карты.
Доставка до двери
Осуществляется курьерской службой или транспортной компанией (на Ваш выбор).
Мы работаем с ведущими транспортными компаниями и доставляем заказы во все регионы России и Казахстана.
Доставка до терминала
Транспортной компании в Москва – БЕСПЛАТНО.