Возможные производители: KLEMSAN
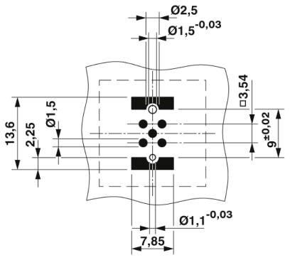
Комплект образцов, 5-полюсн., Гнездо, прямое, M12, A - стандарт, Монтаж на печатную плату, SMD
Окружающие условия
| Температура окружающей среды (при эксплуатации) | -25 °C ... 105 °C (вилка / розетка) |
|---|---|
| -40 °C ... 105 °C (без механического приведения в действие) | |
| Степень защиты | IP67 (правильно установлен и зафиксирован) |
| IP65 (не подключен, при помощи дополнительного уплотнения для устройства) |
Общие сведения
| Указание | Электрические и механические параметры указаны с учетом наличия правильно зафиксированного и установленного штекерного соединителя. Если соединитель не зафиксирован и существует вероятность попадания в него грязи, то рекомендуется закрыть его защитным колпаком >IP54. Кроме того, необходимо учитывать воздействия со стороны проводов, кабелей и печатных плат. |
|---|---|
| Расчетный ток при 40 ℃ | 4 A |
| Расчетное напряжение | 60 В |
| Расчетное импульсное напряжение | 1,5 кВ |
| Полюсов | 5 |
| Сопротивление изоляции | ≥ 100 MΩ |
| Кодирование | A - стандарт |
| Стандарты/нормативные документы | Разъем M12 МЭК 61076-2-101 с примыканием |
| Категория перенапряжения | III |
| Степень загрязнения | 3 |
| Тип подключения | SMD |
| Циклы установки | > 100 |
| Тип монтажа | Монтаж на печатную плату |
Материал
| Класс воспламеняемости согласно UL 94 | V0 |
|---|---|
| Материал, контакт | CuZn |
| Материал, контактная поверхность | Золото |
| Материал, держатель контакта | PA |
| Материал уплотнения | FKM |
Стандарты и предписания
| Обозначение стандарта | Разъем M12 |
|---|---|
| Стандарты / нормативные документы | МЭК 61076-2-101 |
| Класс воспламеняемости согласно UL 94 | V0 |
Environmental Product Compliance
| REACh SVHC | |
|---|---|
| Lead 7439-92-1 | |
| China RoHS | Период времени для применения по назначению (EFUP): 50 лет |
| Информация об опасных веществах приведена в декларации производителя во вкладке «Загрузки» |
Классификация
Банковский перевод: счет на оплату формируется после оформления заказа или отправки заявки в произвольной форме на электронную почту info@euro-avtomatika.ru. Специалист свяжется с вами для уточнения деталей.
Самовывоз с нашего склада:
По адресу: Московская область, Люберецкий район, п. Томилино, мкр. Птицефабрика, стр. лит. А, офис 109. Мы есть на Яндекс.Карты.
Доставка до двери
Осуществляется курьерской службой или транспортной компанией (на Ваш выбор).
Мы работаем с ведущими транспортными компаниями и доставляем заказы во все регионы России и Казахстана.
Доставка до терминала
Транспортной компании в Москва – БЕСПЛАТНО.