Возможные производители: KLEMSAN
Сальниковый корпус B16, Винтовой зажим, mатериал: Из алюминия, методом литья под давлением, стойкий к морской воде, длина кабеля: 1, прямое, высота: 93,7 мм, кабельный ввод: без, патрубок: Нет, 1x M40, повышенные требования окружающей среды
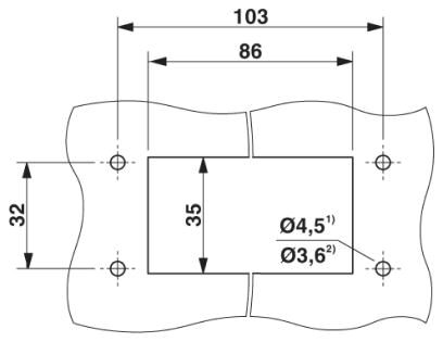
Размеры
| Высота | 93,7 мм |
|---|---|
| Ширина | 57 мм |
| Длина | 125,5 мм |
| Длина, монтажный вырез | 86 мм |
| Ширина Монтажный вырез | 35 мм |
Окружающие условия
| Степень защиты корпуса (IP) | IP66 |
|---|---|
| IP68 (0,2 бар / 24ч) | |
| IP69K (ISO 20653:2013-02) | |
| Степень защиты корпуса (NEMA) | 4 (UL 50e) |
| 4X (UL 50e) | |
| 12 (UL 50e) | |
| Температура окружающей среды (при эксплуатации) | -40 °C ... 125 °C |
Общие сведения
| Указание | для контактных вставок HC-B16, BB32, D40, DD72, HS6, HV6, M, K |
|---|---|
| Размер | B16 |
| Тип корпуса | Сальниковый корпус |
| Цвет | черный |
| Тип фиксатора | Винтовой зажим |
| Крепежные винты | M6 (головка винта - внутренний шестигранник 5 мм) |
| Количество подключаемых кабелей | 1 |
| Кабельный отвод | прямое |
| Резьбовые элементы | без |
| Тип резьбового соединения | 1x M40 |
| Материал корпуса | Из алюминия, методом литья под давлением, стойкий к морской воде |
| Материал поверхность корпуса | порошковое покрытие, черн. |
| Материал, уплотнение | витон |
| Материал крепления | Нержавеющая сталь |
Environmental Product Compliance
| China RoHS | Период времени для применения по назначению (EFUP): 50 лет |
|---|---|
| Информация об опасных веществах приведена в декларации производителя во вкладке «Загрузки» |
Классификация
Банковский перевод: счет на оплату формируется после оформления заказа или отправки заявки в произвольной форме на электронную почту info@euro-avtomatika.ru. Специалист свяжется с вами для уточнения деталей.
Самовывоз с нашего склада:
По адресу: Московская область, Люберецкий район, п. Томилино, мкр. Птицефабрика, стр. лит. А, офис 109. Мы есть на Яндекс.Карты.
Доставка до двери
Осуществляется курьерской службой или транспортной компанией (на Ваш выбор).
Мы работаем с ведущими транспортными компаниями и доставляем заказы во все регионы России и Казахстана.
Доставка до терминала
Транспортной компании в Москва – БЕСПЛАТНО.