Возможные производители: KLEMSAN
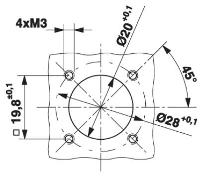
Аппаратн. соединитель, задняя стенка, прямой, для стандартной блокировки и SPEEDCON, M17, полюсов: 8, тип контактов: Штифт, Обжим, Аксиальное уплотнительное кольцо, 4x Ø 3,2, экранирован.: есть, размер фланца: 25,75 мм x 25,75 мм
Общие сведения
| Указание | Указания по заказу: Заказать отдельно обжимные контакты Ø 1 мм |
|---|---|
| Тип фиксатора | для стандартной блокировки и SPEEDCON |
| Направление нумерации контактных гнезд | стандартный |
| Кодирование | N |
| Способ подсоединения контакта | Обжим |
| Тип контакта | Штифт |
| Полюсов | 8 |
| Диаметр силового контакта | 1 мм |
| Номинальный ток на силовой контакт при 25 °C | 8 A |
| Крепежный резьбовой элемент корпуса, Pg | без |
| Тип монтажа | 4x Ø 3,2 |
Данные согласно DIN EN 61984:2001
| Высота установки, макс. | 3000 мм |
|---|---|
| Номинальное / рабочее напряжение силового контакта | 60 В |
| Расчетное импульсное напряжение для силового контакта | 1,5 кВ |
| Категория перенапряжения для силового контакта | II |
| Степень загрязнения силового контакта | 3 |
Environmental Product Compliance
| China RoHS | Период времени для применения по назначению: не ограничен = EFUP-e |
|---|---|
| Не содержит опасных веществ, выходящих за пределы пороговых значений |
Классификация
Банковский перевод: счет на оплату формируется после оформления заказа или отправки заявки в произвольной форме на электронную почту info@euro-avtomatika.ru. Специалист свяжется с вами для уточнения деталей.
Самовывоз с нашего склада:
По адресу: Московская область, Люберецкий район, п. Томилино, мкр. Птицефабрика, стр. лит. А, офис 109. Мы есть на Яндекс.Карты.
Доставка до двери
Осуществляется курьерской службой или транспортной компанией (на Ваш выбор).
Мы работаем с ведущими транспортными компаниями и доставляем заказы во все регионы России и Казахстана.
Доставка до терминала
Транспортной компании в Москва – БЕСПЛАТНО.