Возможные производители: KLEMSAN
Окружающие условия
| Класс защиты (вставлен) | IP66 / IP68 (2 m / 24 h) |
|---|---|
| Класс защиты (не вставлен) | IP20 |
| Температура окружающей среды (при эксплуатации) | -40 °C ... 85 °C |
| Температура окружающей среды (при монтаже) | -25 °C ... 50 °C |
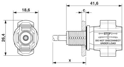
Общие сведения
| Исполнение | Штифт |
|---|---|
| Момент затяжки гайки | 1,8 Нм ±0,1 Нм |
| Усилие установки | 45 Н ±10 Н |
| Усилие разделения | 250 Н ±50 Н (в заблокированном состоянии) |
| Усилие извлечения кабеля >= отрывающая сила | > 80 Н |
| Циклы установки | 100 |
| Расчетное напряжение | 1500 В |
| Расчетный ток (2,5 мм²) | |
| Расчетный ток (4,0 мм²) | |
| Расчетный ток (6,0 мм²) | 40 A |
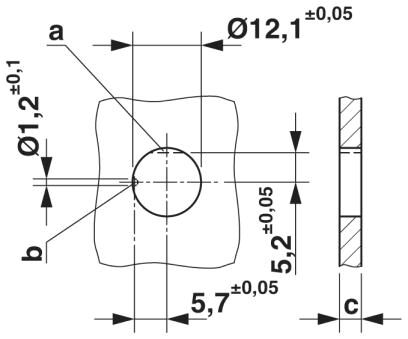
| Номинальное сечение | 6 мм² |
| Степень защиты | II |
Материал
| Цвет | черный |
|---|---|
| Изоляционный материал | mPPE |
| Материал, контакт | Cu |
| Материал, контактная поверхность | Ag |
| Класс воспламеняемости согласно UL 94 | V0 |
Данные по присоединению
| Тип подключения | Обжим |
|---|---|
| Соединительная способность | 6 мм² |
| Проходное сопротивление с подсоединенным проводником | 0,45 мΩ |
| Тип кабеля | S03 |
Стандарты и предписания
| Негорючесть | нет |
|---|---|
| Маслостойкость | нет |
| Без галогенов | да |
| Класс воспламеняемости согласно UL 94 | V0 |
Environmental Product Compliance
| China RoHS | Период времени для применения по назначению: не ограничен = EFUP-e |
|---|---|
| Не содержит опасных веществ, выходящих за пределы пороговых значений |
Классификация
Банковский перевод: счет на оплату формируется после оформления заказа или отправки заявки в произвольной форме на электронную почту info@euro-avtomatika.ru. Специалист свяжется с вами для уточнения деталей.
Самовывоз с нашего склада:
По адресу: Московская область, Люберецкий район, п. Томилино, мкр. Птицефабрика, стр. лит. А, офис 109. Мы есть на Яндекс.Карты.
Доставка до двери
Осуществляется курьерской службой или транспортной компанией (на Ваш выбор).
Мы работаем с ведущими транспортными компаниями и доставляем заказы во все регионы России и Казахстана.
Доставка до терминала
Транспортной компании в Москва – БЕСПЛАТНО.