Возможные производители: KLEMSAN
Клеммы для печатной платы, номинальный ток: 24 A, номинальное напряжение: 400 В, размер шага: 5 мм, полюсов: 4, тип подключения: Пружинные зажимы Push-in, монтаж: Пайка волной припоя, направление подключения, проводник/печатная плата: 90 °, цвет: зеленый
Преимущества для Вас
- Зажим Push-in быстрого подключения без использования инструментов
- Заданное контактное нажатие обеспечивает долговременную стабильность замыкания контакта
- Клеммный контакт открывается при помощи зафиксированной отвертки для удобного подключения проводов
- Обслуживание и подключение проводов с одной стороны обеспечивает интеграцию в переднюю панель устройства
- Двойные паечные штифты снижают механическую нагрузку на точки пайки
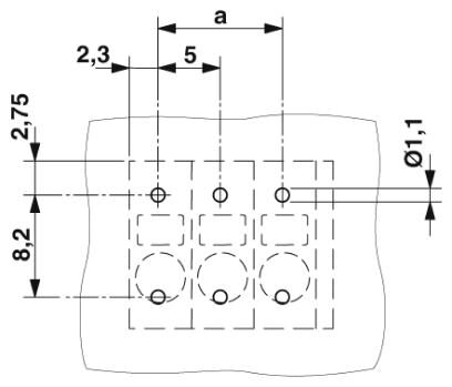
Размеры
| Длина [ l ] | 13,5 мм |
|---|---|
| Размер шага | 5 мм |
| Размер a | 15 мм |
| Ширина [ w ] | 21,4 мм |
| Высота | 14,4 мм |
| Высота [ h ] | 16,9 мм |
| Длина выводов [P] | 2,5 мм |
| Расстояние между штырями | 5 мм |
| Диаметр отверстий | 1,1 мм |
Общие сведения
| Серия изделий | SPT 2,5/..-V |
|---|---|
| Группа изоляционного материала | I |
| Расчетное импульсное напряжение (III/3) | 4 кВ |
| Расчетное импульсное напряжение (III/2) | 4 кВ |
| Расчетное импульсное напряжение (II/2) | 4 кВ |
| Расчетное напряжение (III/3) | 250 В |
| Расчетное напряжение (III/2) | 400 В |
| Расчетное напряжение (II/2) | 630 В |
| Подключение согласно стандарту | EN-VDE |
| Номинальный ток IN | 24 A |
| Номинальное сечение | 2,5 мм² |
| Максимальный ток нагрузки | 24 A |
| Изоляционный материал | PA |
| Поверхность вывода под пайку | |
| Класс воспламеняемости согласно UL 94 | V0 |
| Калиберная пробка | A3 |
| Длина снятия изоляции | 10 мм |
| Полюсов | 4 |
Характеристики клемм
| Сечение жесткого проводника мин. | 0,2 мм² |
|---|---|
| Сечение жесткого проводника макс. | 4 мм² |
| Сечение гибкого проводника мин. | 0,2 мм² |
| Сечение гибкого проводника макс. | 2,5 мм² |
| Сечение гибкого проводника с кабельным наконечником, без пластмассовой втулки, мин. | 0,25 мм² Длина зачищенной части 8 мм |
| Сечение гибкого проводника с кабельным наконечником, без пластмассовой втулки, макс. | 2,5 мм² Длина зачищенной части 8 мм |
| Сечение гибкого проводника с кабельным наконечником, с пластмассовой втулкой, мин. | 0,25 мм² Длина зачищенной части 8 мм |
| Сечение гибкого проводника с кабельным наконечником, с пластмассовой втулкой, макс. | 1,5 мм² Длина зачищенной части 8 мм |
| Сечение провода AWG мин. | 24 |
| Сечение провода AWG макс. | 12 |
Стандарты и предписания
| Подключение согласно стандарту | EN-VDE |
|---|---|
| CUL | |
| Класс воспламеняемости согласно UL 94 | V0 |
Environmental Product Compliance
| China RoHS | Период времени для применения по назначению: не ограничен = EFUP-e |
|---|---|
| Не содержит опасных веществ, выходящих за пределы пороговых значений |
Классификация
Банковский перевод: счет на оплату формируется после оформления заказа или отправки заявки в произвольной форме на электронную почту info@euro-avtomatika.ru. Специалист свяжется с вами для уточнения деталей.
Самовывоз с нашего склада:
По адресу: Московская область, Люберецкий район, п. Томилино, мкр. Птицефабрика, стр. лит. А, офис 109. Мы есть на Яндекс.Карты.
Доставка до двери
Осуществляется курьерской службой или транспортной компанией (на Ваш выбор).
Мы работаем с ведущими транспортными компаниями и доставляем заказы во все регионы России и Казахстана.
Доставка до терминала
Транспортной компании в Москва – БЕСПЛАТНО.