Возможные производители: KLEMSAN
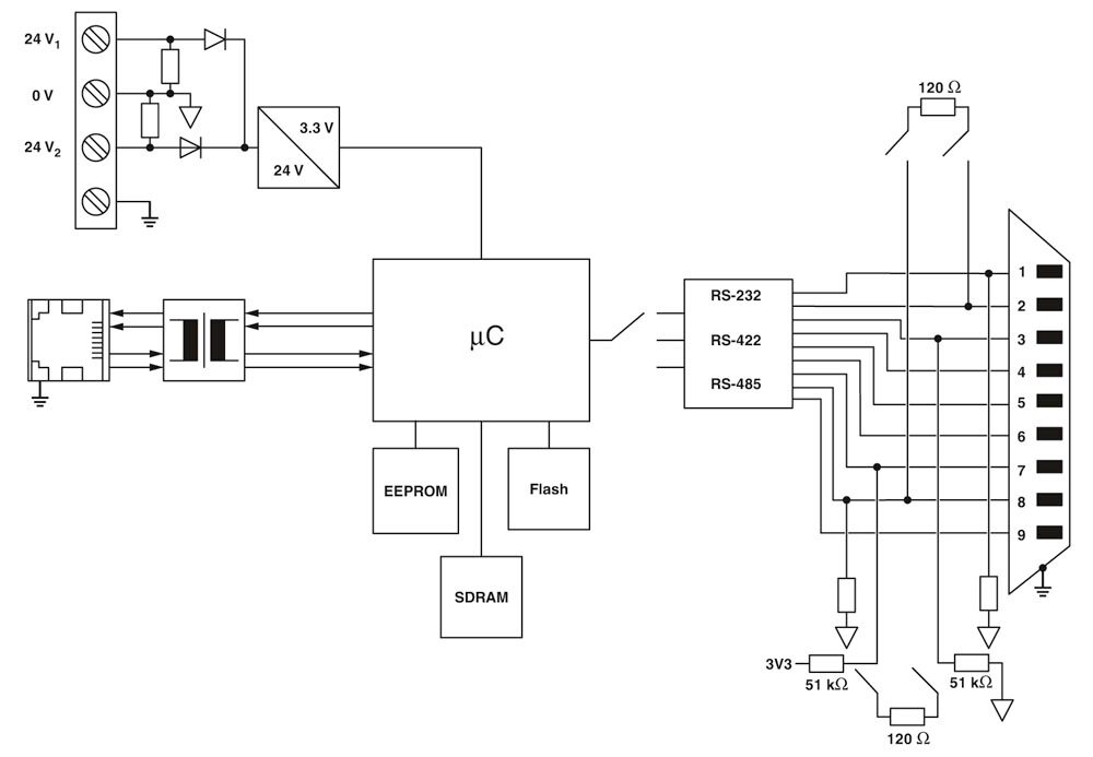
Шлюз GW EIP/ASCII... конвертирует последовательные цепи RAW или ASCII в протокол EtherNet/IP™. Включает один разъем RJ45 и один разъем D-SUB-9.
Окружающие условия
| Температура окружающей среды (при эксплуатации) | -40 °C ... 70 °C |
|---|---|
| Температура окружающей среды (хранение/транспорт) | -40 °C ... 80 °C |
| Допустимая отн. влажность воздуха (при эксплуатации) | 10 % ... 95 % (без выпадения конденсата) |
| Допустимая влажность воздуха (хранение / транспортировка) | 5 % ... 95 % (без выпадения конденсата) |
| Высота | |
| Степень защиты | IP20 |
| Помехоустойчивость | EN 61000-6-2:2005 |
Общие сведения
| Гальваническая развязка | МЭК UL 61010-1 (VCC // Ethernet) |
|---|---|
| Испытательное напряжение / интерфейс передачи данных | 1,5 кВeff (50 Гц, 1 мин) |
| Испытательное напр., интерфейс передачи дан. / питание | 1,5 кВeff |
| Испытательное напряжение, интерфейс передачи данных / питание | 1,5 кВeff (50 Гц, 1 мин) |
| Электромагнитная совместимость | Соответствие директиве EMV 2014/30/EU |
| Излучение помех | EN 61000-6-4 |
| Вес нетто | 111 г |
| Материал корпуса | PA 6.6 |
| Цвет | cерый |
| MTBF | 92,1 лет (Telcordia-стандарт, температура: 25 °С, нагрузка: 50 %, фактор окружающей среды = 1,0) |
| 61,4 лет (Telcordia-стандарт, температура: 40 °С, нагрузка: 50 %, фактор окружающей среды = 1,5) | |
| Соответствие нормам | Соответствие CE |
| UL, США | UL 61010-1 |
| UL, США / Канада | Class I, Div. 2, Groups A, B, C, D T4A |
Питание
| Диапазон напряжения питания | 10,8 В DC ... 30 В DC (с помощью вставных винтовых клемм COMBICON) |
|---|---|
| Потребляемый ток, макс. | 60 мА (24 В DC) |
| Потребляемый ток, типовой | 48 мА (24 В DC) |
| Сечение гибкого проводника макс. | 2,50 мм² |
| Сечение гибкого проводника мин. | 0,20 мм² |
| Сечение провода AWG макс. | 12 |
| Сечение провода AWG мин. | 24 |
Последовательный интерфейс
| Интерфейс 1 | EtherNet/IP™ |
|---|---|
| Интерфейс | Ethernet |
| Количество портов | 1 |
| Тип подключения | Гнездовая часть разъема RJ45, экранированная |
| Дальность передачи | ≤ 100 м (Витая пара, экранированная) |
| Поддерживаемые протоколы | EtherNet/IP, ASCII |
| Вспомогательные протоколы | ARP, DHCP (Client), PING |
| Скорость последовательной передачи данных | 10/100 Мбит/с, функция Autonegotiation |
| Интерфейс | RS-232 |
| Количество точек подключения | 1 |
| Тип подключения | Штекер D-SUB-9 |
| Формат файла / кодирование | 5/6/7/8 бит данных, 1/2 стоп-бит, чётность нет/прямая/непрямая/маркированная/пустая |
| Дальность передачи | 15 м |
| Расположение выводов | |
| Контроль потока данных / протокол | Программная поддержка квитирования, Xon/Xoff или аппаратная поддержка квитирования RTS/CTS |
| Скорость последовательной передачи данных | 0,3; 0,6; 1,2; 2,4; 4,8; 9,6; 19,2; 38,4; 57,6; 115,2; 230,4 кбит/с |
| Интерфейс | RS-422 |
| Количество точек подключения | 1 |
| Тип подключения | Штекер D-SUB-9 |
| Формат файла / кодирование | 5/6/7/8 бит данных, 1/2 стоп-бит, чётность нет/прямая/непрямая/маркированная/пустая |
| Дальность передачи | ≤ 1200 м |
| Нагрузочный резистор | |
| 120 Ω (конфигурируемый) | |
| Расположение выводов | |
| Скорость последовательной передачи данных | 0,3; 0,6; 1,2; 2,4; 4,8; 9,6; 19,2; 38,4; 57,6; 115,2; 230,4 кбит/с |
| Интерфейс | RS-485 |
| Количество точек подключения | 1 |
| Тип подключения | Штекер D-SUB-9 |
| Формат файла / кодирование | 5/6/7/8 бит данных, 1/2 стоп-бит, чётность нет/прямая/непрямая/маркированная/пустая |
| Нагрузочный резистор | 120 Ω (конфигурируемый) |
| Расположение выводов | |
| Скорость последовательной передачи данных | 0,3; 0,6; 1,2; 2,4; 4,8; 9,6; 19,2; 38,4; 57,6; 115,2; 230,4 кбит/с |
Функции
| Управление через веб-интерфейс | да |
|---|---|
| Управление | Управление через Web-интерфейс |
| Отображение состояний и диагностики |
Стандарты и предписания
| Электромагнитная совместимость | Соответствие директиве EMV 2014/30/EU |
|---|---|
| Тип испытания | Вибростойкость соотв. EN 60068-2-6/IEC 60068-2-6 |
| Ударопрочность согласно EN 60068-2-27/МЭК 60068-2-27 | |
| Излучение помех | EN 61000-6-4 |
| Помехоустойчивость | EN 61000-6-2:2005 |
| Стандарты / нормативные документы | EN 55022, EN 55024 |
| Соответствие нормам | Соответствие CE |
| UL, США | UL 61010-1 |
| UL, США / Канада | Class I, Div. 2, Groups A, B, C, D T4A |
| Испытание вредными газами | ISA-S71.04-1985 G3 Harsh группа A |
| ATEX | DEMKO 18ATEX 2026X: II 3 G Ex ec IIC T4 Gc |
| IECEx | IECEx UL 18.0023X Ex ec IIC T4 Gc |
Environmental Product Compliance
| REACh SVHC | Lead 7439-92-1 |
|---|---|
| China RoHS | Период времени для применения по назначению (EFUP): 50 лет |
| Информация об опасных веществах приведена в декларации производителя во вкладке «Загрузки» |
Классификация
eCl@ss
| eCl@ss 10.0.1 | 19179290 |
|---|---|
| eCl@ss 4.0 | 27250504 |
| eCl@ss 4.1 | 27250504 |
| eCl@ss 5.0 | 27250504 |
| eCl@ss 5.1 | 27250504 |
| eCl@ss 6.0 | 19179200 |
| eCl@ss 7.0 | 19179290 |
| eCl@ss 9.0 | 19179290 |
Банковский перевод: счет на оплату формируется после оформления заказа или отправки заявки в произвольной форме на электронную почту info@euro-avtomatika.ru. Специалист свяжется с вами для уточнения деталей.
Самовывоз с нашего склада:
По адресу: Московская область, Люберецкий район, п. Томилино, мкр. Птицефабрика, стр. лит. А, офис 109. Мы есть на Яндекс.Карты.
Доставка до двери
Осуществляется курьерской службой или транспортной компанией (на Ваш выбор).
Мы работаем с ведущими транспортными компаниями и доставляем заказы во все регионы России и Казахстана.
Доставка до терминала
Транспортной компании в Москва – БЕСПЛАТНО.