Возможные производители: KLEMSAN
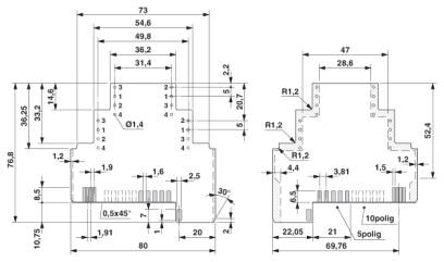
Установочный корпус, длина: 99 мм, с вентиляционными отверстиями, Нижняя часть корпуса, поперечное соединение: встроенный шинный соединитель, цвет: зеленый, ширина: 22,5 мм, высота: 106 мм, кол-во контактов поперечного соединителя: 5+2
Преимущества для Вас
- Изделие входит в семейство ME
- Монтаж без инструмента
- В наличии шириной от 12,5 мм до 90 мм, модульное расширение
- Класс воспламеняемости V0 согласно UL 94
- Варианты подключения
- Установка на монтажную рейку
- Опциональные исполнения со встроенными или шинными соединителями для установки на несущую рейку
Окружающие условия
| Температура окружающей среды (хранение/транспорт) | -40 °C ... 70 °C |
|---|---|
| Температура окружающей среды (при монтаже) | -5 °C ... 100 °C |
| Температура окружающей среды (при эксплуатации) | -40 °C ... 105 °C (В зависимости от рассеиваемой мощности) |
Технические данные
| Подключение согласно стандарту | CUL |
|---|---|
| Номинальное напряжение UN | 300 В |
| Номинальный ток IN | 8 A |
| Индикатор1 | CUL1 |
| Рассеиваемая мощность, при установке без промежутка | 5,9 Вт |
| Рассеиваемая мощность при установке с промежутком 20 мм | 11,5 Вт |
| Полюсов | 16 |
| 24 |
Environmental Product Compliance
| China RoHS | Период времени для применения по назначению: не ограничен = EFUP-e |
|---|---|
| Не содержит опасных веществ, выходящих за пределы пороговых значений |
Классификация
eCl@ss
| eCl@ss 4.0 | 27180401 |
|---|---|
| eCl@ss 4.1 | 27180401 |
| eCl@ss 5.0 | 27180506 |
| eCl@ss 5.1 | 27180500 |
| eCl@ss 6.0 | 27180800 |
| eCl@ss 7.0 | 27182702 |
| eCl@ss 8.0 | 27182702 |
| eCl@ss 9.0 | 27182702 |
Банковский перевод: счет на оплату формируется после оформления заказа или отправки заявки в произвольной форме на электронную почту info@euro-avtomatika.ru. Специалист свяжется с вами для уточнения деталей.
Самовывоз с нашего склада:
По адресу: Московская область, Люберецкий район, п. Томилино, мкр. Птицефабрика, стр. лит. А, офис 109. Мы есть на Яндекс.Карты.
Доставка до двери
Осуществляется курьерской службой или транспортной компанией (на Ваш выбор).
Мы работаем с ведущими транспортными компаниями и доставляем заказы во все регионы России и Казахстана.
Доставка до терминала
Транспортной компании в Москва – БЕСПЛАТНО.