Возможные производители: KLEMSAN
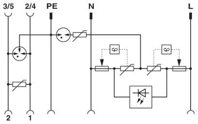
Промежуточный штекерный модуль с гнездом для защиты от импульсных перенапряжений сети питания и сигнальных разъемов оконечных устройств с аналоговым или цифровым телекоммуникационным интерфейсом (VDSL до 50 Мбит/с, на коротких дистанциях (
Окружающие условия
| Температура окружающей среды (при эксплуатации) | -25 °C ... 75 °C | 
|---|---|
| Температура окружающей среды (хранение/транспорт) | -25 °C ... 75 °C | 
Общие сведения
| Материал корпуса | PA 6 | 
|---|---|
| Класс воспламеняемости согласно UL 94 | V-0 | 
| Цвет | голубовато-белый RAL 9010 | 
| Может применяться в странах со следующими кодами | D | 
| Тип монтажа | Вставляется в сетевую розетку | 
| Конструкция | Промежуточный штекер | 
| Направление действие | L/N-PE & Signal Line-Earth Ground | 
Защитная цепь источника питания
| Тип EN | T3 | 
|---|---|
| Номинальное напряжение UN | 230 В AC | 
| Расчетное напряжение разрядника UC (L-N) | 275 В AC | 
| Расчетное напряжение разрядника UC (L-PE) | 360 В AC | 
| Расчетное напряжение разрядника UC (N-PE) | 360 В AC | 
| Номинальная частота fN | 50 Гц (60 Гц) | 
| Номинальный ток IL | 16 A (30 °C) | 
| Потребляемая мощность в режиме ожидания ПК | ≤ 1 ВА | 
| Ток защитного проводника IPE | ≤ 5 мкA | 
| Номинальный импульсный ток утечки In (8/20) мкс | 3 кA (> 5x) | 
| Комбинированный импульс UOC | 4 кВ | 
| Уровень защиты Up (L-N) | ≤ 1,2 кВ | 
| Уровень защиты Up (L-PE) | ≤ 1,5 кВ | 
| Уровень защиты Up (N-PE) | ≤ 1,5 кВ | 
| Время срабатывания (L-N) | ≤ 25 нс | 
| Время срабатывания (L-PE) | ≤ 100 нс | 
| Время срабатывания (N-PE) | ≤ 100 нс | 
| Сообщение, неисправность устройства для защиты от импульсных перенапряжений | cветовой | 
| Номинал предохранителя, макс. | 16 A (gG / B / C) | 
Подключение (защитная цепь источника питания)
| Тип подключения | Штекерный модуль/розетка с заземляющим контактом | 
|---|---|
| Тип подключения ВХОД | Штекерный модуль с защитным контактом | 
| Тип подключения ВЫХОД | Штепсельная розетка с защитным контактом | 
Защитная цепь информационной техники
| Расчетное напряжение разрядника UC | 200 В DC | 
|---|---|
| Расчетный ток | 150 мА (25 °C) | 
| Эффективный рабочий ток IC при UC | ≤ 150 мкA | 
| Ток защитного проводника IPE | ≤ 2 мкA | 
| Сопротивление изоляции Riso | ≥ 1 MΩ | 
| ≥ 1 ГΩ | |
| Номинальный импульсный ток утечки In (8/20) мкс (фаза-фаза) | 1 кA | 
| Номинальный импульсный ток утечки In (8/20) мкс (фаза-земля) | 2,5 кA | 
| Импульсный ток утечки Imax (8/20) мкс, максимальный | 2,5 кA | 
| Уровень защиты Up (жила-жила) | ≤ 460 В (C2 - 1 кА) | 
| ≤ 350 В (C3 - 25 A) | |
| Уровень защиты Up (жила-земля) | ≤ 900 В (C2 - 2 кА) | 
| ≤ 900 В (C3 - 100 A) | |
| Время срабатывания tA (фаза-фаза) | ≤ 25 нс | 
| Время срабатывания tA (фаза-земля) | ≤ 100 нс | 
| Максимальная частота fg (3 дБ), сим. в системах сопротивлением 100 Ом | тип. 4 МГц | 
| Максимальная частота fg (3 дБ), сим. в системах сопротивлением 150 Ом | тип. 3 МГц | 
| Максимальная частота fg (3 дБ), сим. в системах сопротивлением 600 Ом | тип. 700 кГц | 
| Емкость (фаза-фаза) | тип. 1 нФ | 
| Емкость (фаза-земля) | тип. 5 пФ | 
| Ограничение выходного напряжения при 1 кВ/мкс, (фаза-фаза) | ≤ 360 В | 
| Остаточное напряжение при In (фаза-фаза) | ≤ 500 В | 
| Остаточное напряжение при In (фаза-земля) | ≤ 30 В | 
| Остаточное напряжение при Ian (10/1000) мкс (фаза-фаза) | ≤ 35 В | 
| Остаточное напряжение при Ian (10/1000) мкс (жила—земля) | ≤ 35 В | 
| Устойчивость к импульсному току (фаза-фаза) | C2 - 2 кВ / 1 кА | 
| C3 - 25 A | |
| Устойчивость к импульсному току (фаза-земля) | C2 - 4 кВ / 2 кА | 
| C3 - 100 A | |
| D1 - 500 A | |
| Стабильность переменного тока (фаза-фаза) | 250 мА - 1 с | 
| Стабильность переменного тока (фаза — земля) | 10 A - 1 с | 
| Время сброса импульса (фаза-фаза) | ≤ 15 мс | 
Подключение (защитная цепь информационной техники)
| Тип подключения | RJ12-/TAE 6 | 
|---|---|
| Тип подключения ВХОД | Гнездо RJ12 | 
| Тип подключения ВЫХОД | Розетка TAE 6 | 
Подключение с выравниванием потенциалов для коммуникационной техники
| Тип подключения | с использованием штекера с защитным контактом | 
|---|
Классификация
eCl@ss
| eCl@ss 4.0 | 27140201 | 
|---|---|
| eCl@ss 4.1 | 27130801 | 
| eCl@ss 5.0 | 27130801 | 
| eCl@ss 5.1 | 27130800 | 
| eCl@ss 6.0 | 27130800 | 
| eCl@ss 7.0 | 27130810 | 
| eCl@ss 8.0 | 27130810 | 
| eCl@ss 9.0 | 27130810 | 
Банковский перевод: счет на оплату формируется после оформления заказа или отправки заявки в произвольной форме на электронную почту info@euro-avtomatika.ru. Специалист свяжется с вами для уточнения деталей.
Самовывоз с нашего склада:
 По адресу: Московская область, Люберецкий район, п. Томилино, мкр. Птицефабрика, стр. лит. А, офис 109. Мы есть на Яндекс.Карты.
Доставка до двери
 Осуществляется курьерской службой или транспортной компанией (на Ваш выбор).
Мы работаем с ведущими транспортными компаниями и доставляем заказы во все регионы России и Казахстана.
Доставка до терминала
 Транспортной компании в Москва – БЕСПЛАТНО.

 
                                                                     
                                                                     
                                                                     
                                                                     
                         
                         
                         
                        