Возможные производители: KLEMSAN
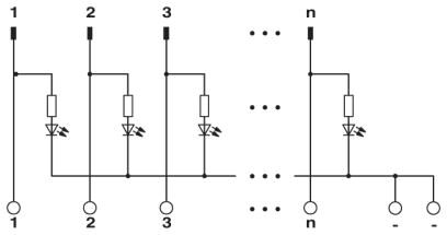
Модуль VARIOFACE с зажимами Push-in и соединителем для плоского кабеля, для установки на монтажные рейки NS 35, со штыревой рейкой с короткими и удлиненными защелками для соединительных колодок, число полюсов: 26, со светодиодом
Условия окружающей среды
| Температура окружающей среды (при эксплуатации) | -20 °C ... 50 °C |
|---|---|
| Температура окружающей среды (хранение/транспорт) | -20 °C ... 70 °C |
Общие сведения
| Макс. допустимое рабочее напряжение | 24 В DC |
|---|---|
| Макс. допустимый ток (на ответвление) | 1 A |
| Полюсов | 26 |
| Индикатор состояния | СИД |
| Монтажное положение | на выбор |
Параметры подключения 1
| Наименование, подключение | Уровень полевых устройств |
|---|---|
| Тип подключения | Зажимы Push-in |
| Длина снятия изоляции | 8 мм |
| Сечение жесткого провода | 0,14 мм² ... 2,5 мм² |
| Сечение гибкого провода | 0,14 мм² ... 2,5 мм² |
| Сечение проводника AWG | 26 ... 14 |
Параметры подключения 2
| Наименование, подключение | Уровень управления |
|---|---|
| Тип подключения | IDC/FLK штыревой разъем |
| Количество точек подключения | 1 |
| Полюсов | 26 |
| Размер шага | 2,54 мм |
Стандарты и предписания
| Подключение согласно стандарту | CSA |
|---|---|
| Стандарты / нормативные документы | МЭК 60664 |
| DIN EN 50178 | |
| Степень загрязнения | 2 |
| Категория перенапряжения | II |
| Класс воспламеняемости согласно UL 94 | V0 |
Environmental Product Compliance
| China RoHS | Период времени для применения по назначению (EFUP): 50 лет |
|---|---|
| Информация об опасных веществах приведена в декларации производителя во вкладке «Загрузки» |
Классификация
Банковский перевод: счет на оплату формируется после оформления заказа или отправки заявки в произвольной форме на электронную почту info@euro-avtomatika.ru. Специалист свяжется с вами для уточнения деталей.
Самовывоз с нашего склада:
По адресу: Московская область, Люберецкий район, п. Томилино, мкр. Птицефабрика, стр. лит. А, офис 109. Мы есть на Яндекс.Карты.
Доставка до двери
Осуществляется курьерской службой или транспортной компанией (на Ваш выбор).
Мы работаем с ведущими транспортными компаниями и доставляем заказы во все регионы России и Казахстана.
Доставка до терминала
Транспортной компании в Москва – БЕСПЛАТНО.