Возможные производители: KLEMSAN
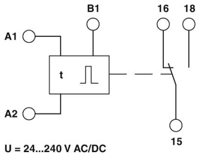
Компактное многофункциональное реле времени с 4 функциями и регулируемым диапазоном времени (50 мс - 1 ч), с зажимом push-in, 1 переключающий контакт
Описание изделия
Требования к безопасности и степени готовности постоянно возрастают во всех отраслях. Процессы становятся все сложнее не только в машиностроении и химической промышленности, но также и в области автоматизации и промышленного оборудования. Требования постоянно растут и в энергетике.
Для управления временными характеристиками в производственных и технологических процессах применяются реле времени серии ETD.
Условия окружающей среды
| Температура окружающей среды (при эксплуатации) | -25 °C ... 55 °C |
|---|---|
| Температура окружающей среды (хранение/транспорт) | -25 °C ... 70 °C |
| Допустимая отн. влажность воздуха (при эксплуатации) | 15 % ... 85 % |
| Помехоустойчивость | EN 61000-6-2 |
Активная часть
| Диапазон входных напряжений | 24 В DC ... 240 В DC -20 % ... +25 % |
|---|---|
| Температурный режим | ≤ 0,01 %/K |
| Функция | E: Задержка включения |
| Rs: Задержка выключения с управляющим контактом | |
| Es: Задержка включения с управляющим контактом | |
| Ws: Кратковременное срабатывание при включении с управляющим контактом | |
| Диапазон настройки времени | 50 мс ... 1 ч (5 временных диапазона) |
| Время возврата в состояние готовности | 100 мс |
Контактная часть
| Исполнение контакта | 1 сухой переключающий контакт |
|---|---|
| Максимальное напряжение переключения | 250 В AC (соответствует EN 60664-1) |
| Мощность отключения (активная нагрузка), максимальная | 1250 ВА (5 A / 250 В AC) |
| Выходные предохранители | 5 A (быстродействующий) |
Общие сведения
| Индикатор состояния | LED зел. (питание) |
|---|---|
| Желтый светодиод (реле активно) | |
| Долговечность механическая | 15x 106 коммутационных циклов |
| Испытательное напряжение, обмотка реле / релейный контакт | 4 кВ |
| Монтажное положение | на выбор |
| Указания по монтажу | на стандартную рейку NS 35 по EN 60715 |
| Цвет | cерый |
| Допустимая отн. влажность воздуха (при эксплуатации) | 15 % ... 85 % |
| Номинальная частота | 48 Гц ... 63 Гц |
| Соответствие нормам | Соответствие CE |
| UL, США / Канада | UL 508 Listed |
Параметры подключения 1
| Тип подключения | Зажимы Push-in |
|---|---|
| Длина снятия изоляции | 8 мм |
| Сечение жесткого провода | 0,14 мм² ... 2,5 мм² |
| Сечение гибкого провода | 0,14 мм² ... 2,5 мм² |
| Сечение проводника AWG | 26 ... 14 |
Управляющий контакт
| Наименование, подключение | с потенциалом, клеммы A1-B1 |
|---|---|
| Длительность управляющего импульса | ≥ 50 мс (DC) |
| ≥ 100 мс (AC) |
Стандарты и предписания
| Электромагнитная совместимость | Соответствие директиве EMV 2014/30/EU |
|---|---|
| Излучение помех | EN 61000-6-3 |
| Помехоустойчивость | EN 61000-6-2 |
| Директива по низкому напряжению | Соответствие директиве NSR 2006/95/EС (действительно до 19.04.2016) / 2014/35/EС (действительно до 20.04.2016) |
| Класс воспламеняемости согласно UL 94 | V0 |
| Соответствие нормам | Соответствие CE |
| UL, США / Канада | UL 508 Listed |
Environmental Product Compliance
| China RoHS | Период времени для применения по назначению: не ограничен = EFUP-e |
|---|---|
| Не содержит опасных веществ, выходящих за пределы пороговых значений |
Классификация
eCl@ss
| eCl@ss 5.0 | 27371701 |
|---|---|
| eCl@ss 5.1 | 27371700 |
| eCl@ss 6.0 | 27371700 |
| eCl@ss 7.0 | 27371790 |
| eCl@ss 8.0 | 27371605 |
| eCl@ss 9.0 | 27371605 |
Банковский перевод: счет на оплату формируется после оформления заказа или отправки заявки в произвольной форме на электронную почту info@euro-avtomatika.ru. Специалист свяжется с вами для уточнения деталей.
Самовывоз с нашего склада:
По адресу: Московская область, Люберецкий район, п. Томилино, мкр. Птицефабрика, стр. лит. А, офис 109. Мы есть на Яндекс.Карты.
Доставка до двери
Осуществляется курьерской службой или транспортной компанией (на Ваш выбор).
Мы работаем с ведущими транспортными компаниями и доставляем заказы во все регионы России и Казахстана.
Доставка до терминала
Транспортной компании в Москва – БЕСПЛАТНО.