Возможные производители: KLEMSAN
Разрядник от перенапряжений для компактного монтажа печатных плат, соотв. типу 2 / классу II, для 1-фазных установок электроснабжения TN и TT.
Окружающие условия
| Температура окружающей среды (при эксплуатации) | -40 °C ... 85 °C |
|---|---|
| Температура окружающей среды (хранение/транспорт) | -40 °C ... 85 °C |
| Высота | ≤ 2000 м (amsl (выше уровня моря)) |
| Допустимая отн. влажность воздуха (при эксплуатации) | 5 % ... 95 % |
| Удары (при эксплуатации) | 25г (Полусинусоида / 11 мс / 3x X, Y, Z) |
| Вибрация (при эксплуатации) | 5г (5 ... 500 Гц / 2,5 ч / X, Y, Z) |
Общие сведения
| Класс испытания согл. МЭК | II |
|---|---|
| T2 | |
| Тип EN | T2 |
| Система энергоснабжения IEC | TN-S |
| TT | |
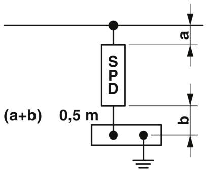
| Защитная цепь | L-N |
| L-PE | |
| N-PE | |
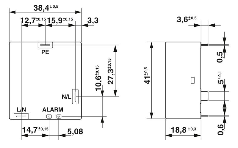
| Тип монтажа | Монтаж на печатную плату |
| Цвет | светло-серый RAL 7035 |
| Материал корпуса | PA 6.6 |
| Степень загрязнения | 2 |
| Класс воспламеняемости согласно UL 94 | V-0 |
| Конструкция | Встроенный разрядник защиты от перенапряжений для печатных плат |
| Сообщение, неисправность устройства для защиты от импульсных перенапряжений | Контр.контакт |
Защитная цепь
| Номинальное напряжение UN | 230 В AC (TN) |
|---|---|
| 230 В AC (TT) | |
| Номинальная частота fN | 50 Гц (60 Гц) |
| Макс. напряжение при длит. нагрузке UC | 350 В AC |
| Ток защитного проводника IPE | ≤ 50 мкA |
| Потребляемая мощность в режиме ожидания ПК | ≤ 20 mVA |
| Номинальный импульсный ток утечки In (8/20) мкс | 20 кA |
| Стойкость к короткому замыканию ISCCR | 1 кA |
| Уровень защиты Up (L-N) | ≤ 2,5 кВ |
| Уровень защиты Up (L-PE) | ≤ 1,8 кВ |
| Уровень защиты Up (N-PE) | ≤ 1,8 кВ |
| Характеристика TOV при UT (L-N) | 336 В AC (5 с / режим устойчивости) |
| 440 В AC (120 мин / режим устойчивости) | |
| Характеристика TOV при UT (N-PE) | 1200 В AC (200 мс / режим безопасного сбоя) |
| Время срабатывания tA (L-N) | ≤ 25 нс |
| Время срабатывания tA (L-PE) | ≤ 100 нс |
| Время срабатывания tA (N-PE) | ≤ 100 нс |
| Макс. номинал входного предохранителя при подключении ответвлений | 63 A (MCB C) |
Индикатор / Дистанционная сигнализация
| Функция переключения | Размыкатель |
|---|---|
| Рабочее напряжение | 5 В AC ... 250 В AC |
| 125 В AC (UL) | |
| 30 В DC | |
| Рабочий ток | 5 мA AC ... 1 A AC |
| 1 A AC (UL) | |
| 1 A DC |
Классификация
Банковский перевод: счет на оплату формируется после оформления заказа или отправки заявки в произвольной форме на электронную почту info@euro-avtomatika.ru. Специалист свяжется с вами для уточнения деталей.
Самовывоз с нашего склада:
По адресу: Московская область, Люберецкий район, п. Томилино, мкр. Птицефабрика, стр. лит. А, офис 109. Мы есть на Яндекс.Карты.
Доставка до двери
Осуществляется курьерской службой или транспортной компанией (на Ваш выбор).
Мы работаем с ведущими транспортными компаниями и доставляем заказы во все регионы России и Казахстана.
Доставка до терминала
Транспортной компании в Москва – БЕСПЛАТНО.
