Возможные производители: KLEMSAN
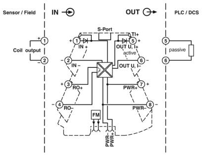
Универсально настраиваемый разделительный усилитель 4 цепей, с выходным переключающим контактом и штекерными разъемами c гальванической развязкой аналоговых сигналов. Настраивается DIP-переключателями или с помощью ПО. Зажимы push-in, заказная конфигурация.
Размеры
| Круглый проводник первичной цепи (диаметр) | 60 мм |
|---|---|
| Круглый проводник первичной цепи (ширина) | 60 мм |
| Круглый проводник первичной цепи (высота) | 60 мм |
Параметры подключения 2
| Наименование, подключение | Сторона измерительного преобразователя |
|---|---|
| Тип подключения | Зажимы Push-in |
| Длина снятия изоляции | 10 мм |
| Резьба винтов | M3 |
| Сечение жесткого провода | 0,2 мм² ... 2,5 мм² |
| Сечение гибкого провода | 0,2 мм² ... 2,5 мм² |
| Сечение проводника AWG | 26 ... 12 |
Environmental Product Compliance
| China RoHS | Период времени для применения по назначению (EFUP): 50 лет |
|---|---|
| Информация об опасных веществах приведена в декларации производителя во вкладке «Загрузки» |
Классификация
Банковский перевод: счет на оплату формируется после оформления заказа или отправки заявки в произвольной форме на электронную почту info@euro-avtomatika.ru. Специалист свяжется с вами для уточнения деталей.
Самовывоз с нашего склада:
По адресу: Московская область, Люберецкий район, п. Томилино, мкр. Птицефабрика, стр. лит. А, офис 109. Мы есть на Яндекс.Карты.
Доставка до двери
Осуществляется курьерской службой или транспортной компанией (на Ваш выбор).
Мы работаем с ведущими транспортными компаниями и доставляем заказы во все регионы России и Казахстана.
Доставка до терминала
Транспортной компании в Москва – БЕСПЛАТНО.