Возможные производители: KLEMSAN
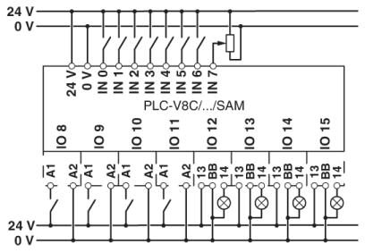
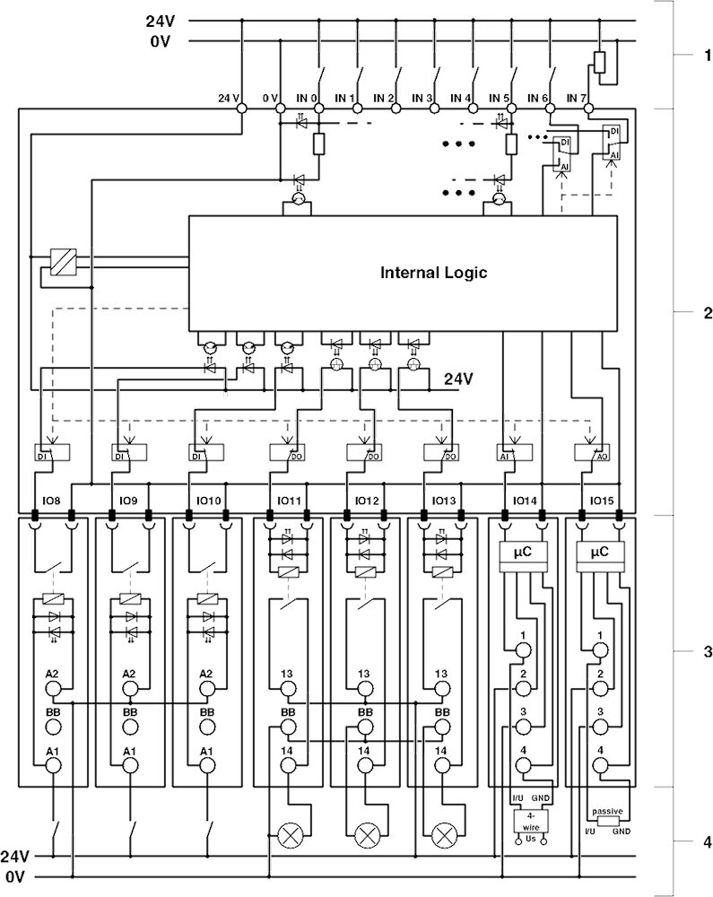
Автономный логический модуль PLC logic, поколение 2, с 16 вводами-выводами, вставляется на 8 цифровых или аналоговых клемм PLC-INTERFACE, не расширяется, часы реального времени, гнездо Micro-USB, слот для карты памяти и адаптер Bluetooth, винтовой зажим
Питание
| Электропитание | 24 В DC |
|---|---|
| Диапазон напряжения питания | 19,2 В DC ... 26,4 В DC |
| Типовой входной ток при UN | 40 мА |
| Максимальный входной ток при UN | 160 мА |
| Защитная схема | Защита от переполюсовки |
| Защита от перенапр. | |
| Индикатор состояния | LED зел. |
Входные данные (цифр.)
| Количество входов | 8 (2 конфигурируемых как аналоговые) |
|---|---|
| Описание входа | EN 61131-2 тип 3 |
| Входное напряжение | 24 В DC |
| Уровень сигнала, сигнал "0" | |
| Уровень сигнала, сигнал "1" | > 11 В |
| Входной ток, сигнал "0" | |
| Входной ток, сигнал "1" | тип. 2,5 мА |
| Индикатор состояния | LED желт. |
Входные данные (аналог.)
| Количество входов | 2 (IN6 и IN7 могут быть настроены как аналоговые) |
|---|---|
| Диапазон входных напряжений | 0 В ... 10 В |
| Входное сопротивление | > 3,5 кΩ |
Входные данные (PLC-INTERFACE)
| Количество входов | ≤ 8 |
|---|---|
| Описание входа | технические данные в зависимости от используемой клеммы PLC-INTERFACE |
| Входное напряжение | 19 В DC |
| Потребляемый ток, типовой | 4 мА |
| Входное сопротивление |
Общие сведения
| Точность часов реального времени | ±2 s/d |
|---|---|
| Буферное время часов реального времени | 96 ч (Конденсатор) |
| Цвет | cерый |
| Монтажное положение | на выбор |
| Указания по монтажу | возможна установка на 8 клеммах PLC-INTERFACE |
| Режим работы | 100 % ED |
| Степень защиты | IP20 |
Параметры подключения (питание и цифровые входы)
| Тип подключения | Винтовые зажимы |
|---|---|
| Длина снятия изоляции | 7 мм |
| Резьба винтов | M2 |
| Сечение жесткого провода | 0,14 мм² ... 1,5 мм² |
| Сечение гибкого провода | 0,14 мм² ... 1,5 мм² |
| 0,25 мм² ... 0,5 мм² (Кабельный наконечник с изолирующим хомутом) | |
| 0,25 мм² ... 1,5 мм² (Кабельный наконечник без изолирующего хомута) | |
| Сечение проводника AWG | 28 ... 16 |
| Количество точек подключения | 1 |
| Полюсов | 10 |
| Указание | Питание устройства и 8 входов |
Параметры подключения (программный интерфейс)
| Тип подключения | Микро-USB тип B |
|---|---|
| Количество точек подключения | 1 |
Параметры подключения (Memory)
| Тип подключения | S-ПОРТ (розетка) |
|---|---|
| Количество точек подключения | 1 |
| Полюсов | 12 |
| Указание | Для подключения блока сохранения информации |
Окружающие условия
| Температура окружающей среды (при эксплуатации) | -20 °C ... 50 °C |
|---|---|
| Температура окружающей среды (хранение/транспорт) | -20 °C ... 70 °C |
| Макс. допустимая отн. влажность воздуха (при эксплуатации) | 95 % |
Стандарты и предписания
| Наименование | Воздушный путь и путь утечки между цепями |
|---|---|
| Стандарты / нормативные документы | DIN EN 50178 |
| Расчетное напряжение изоляции | 50 В |
| Расчетное импульсное напряжение | 0,8 кВ |
| Изоляция | Основная изоляция |
| Степень загрязнения | 2 |
| Категория перенапряжения | III |
| Соответствие нормам | Соответствие CE |
Environmental Product Compliance
| China RoHS | Период времени для применения по назначению (EFUP): 50 лет |
|---|---|
| Информация об опасных веществах приведена в декларации производителя во вкладке «Загрузки» |
Классификация
Банковский перевод: счет на оплату формируется после оформления заказа или отправки заявки в произвольной форме на электронную почту info@euro-avtomatika.ru. Специалист свяжется с вами для уточнения деталей.
Самовывоз с нашего склада:
По адресу: Московская область, Люберецкий район, п. Томилино, мкр. Птицефабрика, стр. лит. А, офис 109. Мы есть на Яндекс.Карты.
Доставка до двери
Осуществляется курьерской службой или транспортной компанией (на Ваш выбор).
Мы работаем с ведущими транспортными компаниями и доставляем заказы во все регионы России и Казахстана.
Доставка до терминала
Транспортной компании в Москва – БЕСПЛАТНО.