| Общая информация | |||
Стандарты и предписания |
IEC/EN 60947, VDE 0660, IEC/EN 60204 Силовые разъединители согласно IEC/EN 60947-3 |
||
Стойкость к климатическим воздействиям |
Влажный нагрев, постоянный, в соответствии с IEC 60068-2-78 Влажный нагрев, циклический, в соответствии с IEC 60068-2-30 |
||
Температура окружающей среды |
|||
разомкнут |
°C | -25 - +50 | |
в капсульном корпусе |
°C | -25 - +40 | |
Категория перенапряжения / степень загрязнения |
III/3 | ||
Номинальная устойчивость к импульсу |
Uimp | В перем. тока | 6000 |
Удароустойчивость |
g | 15 | |
установочное положение |
любая | ||
Защита от прикосновения при вертикальном управлении спереди (EN 50274) |
защита от прикосновения пальцами и тыльной стороной кистей рук | ||
| Контакты | |||
электрические параметры |
|||
Номинальное напряжение |
Ue | В перем. тока | 690 |
измеренный ток длительной нагрузки |
Iu | A | 63 |
Указания по измеренному току длительной нагрузки Iu
|
Измеренный ток длительной нагрузки Iu указан при максимальном поперечном сечении. | ||
Допустимая нагрузка при повторно-кратковременном режиме работы, класс 12 |
|||
AB 25 % ED (продолжительность включения) |
x Ie | 2 | |
AB 40 % ED (продолжительность включения) |
x Ie | 1.6 | |
AB 60 % ED (продолжительность включения) |
x Ie | 1.3 | |
стойкость к коротким замыканиям |
|||
Предохранитель |
A gG/gL | 80 | |
Номинальная устойчивость к токовым нагрузкам при коротком замыкании (1 с ток) |
Icw | Aeff | 1300 |
Примечание по поводу измеренной кратковременной устойчивости к токовым нагрузкам Icw |
1-секундный ток | ||
Условный ток короткого замыкания |
Iq | кА | 2 |
| Коммутационная способность | |||
Номинальный допустимый ток включения cos ? в соответствии с IEC 60947-3 |
A | 800 | |
Расчетная разрывная способность cos ? согласно IEC 60947-3 |
A | ||
230 В |
A | 520 | |
400/415 В |
A | 600 | |
500 В |
A | 480 | |
690 В |
A | 340 | |
Безопасное разъединение согласно EN 61140 |
|||
между контактами |
В перем. тока | 440 | |
Электрические тепловые потери на контакт при Ie
|
W | 4.5 | |
Электрические тепловые потери на вспомогательный контакт при Ie Ie (15/230 В перем. тока) |
W | 4.5 | |
Механический срок службы |
Переключения | x 106 | > 0.5 |
максимальная частота коммутаций |
Переключения/ч | 1200 | |
Переменное напряжение |
|||
AC-3 |
|||
Расчетная рабочая мощность моторного выключателя |
P | кВт | |
220 B 230 B |
P | кВт | 15 |
230 В звезда-треугольник |
P | кВт | 18.5 |
400 B 415 B |
P | кВт | 22 |
400 В звезда-треугольник |
P | кВт | 30 |
500 В |
P | кВт | 22 |
500 В звезда-треугольник |
P | кВт | 37 |
690 В |
P | кВт | 15 |
690 В звезда-треугольник |
P | кВт | 22 |
Расчетный рабочий ток моторного переключателя |
|||
230 В |
Ie | A | 51 |
230 В звезда-треугольник |
Ie | A | 63 |
400 В 415 В |
Ie | A | 41 |
400 В звезда-треугольник |
Ie | A | 63 |
500 В |
Ie | A | 33 |
500 В звезда-треугольник |
Ie | A | 57.2 |
690 В |
Ie | A | 17 |
690 В звезда-треугольник |
Ie | A | 29.4 |
AC-21A |
|||
Расчетный рабочий ток силового выключателя |
|||
440 В |
Ie | A | 63 |
AC-23A |
|||
Расчетная эксплуатационная мощность AC-23A, 50 - 60 Гц |
P | кВт | |
230 В |
P | кВт | 18.5 |
400 B 415 B |
P | кВт | 30 |
500 В |
P | кВт | 22 |
690 В |
P | кВт | 22 |
Расчетный рабочий ток моторного переключателя |
|||
230 В |
Ie | A | 63 |
400 B 415 B |
Ie | A | 63 |
500 В |
Ie | A | 33 |
690 В |
Ie | A | 23.8 |
постоянное напряжение |
|||
DC-1, силовой выключатель Л/П = 1 мс |
|||
Расчетный рабочий ток |
Ie | A | 63 |
Напряжение на контакт, соединенный последовательно |
В | 60 | |
DC-23A, моторный выключатель Л/П = 15 мс |
|||
24 В |
|||
Расчетный рабочий ток |
Ie | A | 50 |
Контакты |
Количество | 1 | |
48 В |
|||
Расчетный рабочий ток |
Ie | A | 50 |
Контакты |
Количество | 2 | |
60 В |
|||
Расчетный рабочий ток |
Ie | A | 50 |
Контакты |
Количество | 3 | |
120 В |
|||
Расчетный рабочий ток |
Ie | A | 25 |
Контакты |
Количество | 3 | |
240 В |
|||
Расчетный рабочий ток |
Ie | A | 20 |
Контакты |
Количество | 6 | |
DC-13, управляющий переключатель Л/П = 50 мс |
|||
Расчетный рабочий ток |
Ie | A | 25 |
Напряжение на последовательно подключенный контакт |
В | 24 | |
Надёжность управляющей системы при 24 В пост. тока, 10 мА |
Частота отказов | HF | < 10-5, < 1 отказа на 100000 соединений |
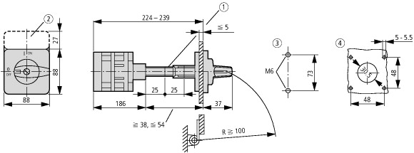
| Поперечные сечения соединения | |||
одно- или многожильные |
мм2 |
1 x (2,5 - 35) 2 x (2,5 - 16) |
|
тонкопроволочный с оконечной муфтой согласно DIN 46228 |
мм2 |
1 x (1 - 25) 2 x (1,5 - 10) |
|
Соединительный винт |
M6 | ||
макс. начальный пусковой момент |
Нм | 4 | |
| Параметры техники безопасности | |||
указания |
Значения B10d в соответствии с EN ISO 13849-1, таблица C1 | ||
| Опробованные рабочие характеристики | |||
Поперечные сечения соединения |
|||
Соединительный винт |
M6 |
Технические характеристики для подтверждения типа конструкции |
|||
Номинальный ток для указания потери мощности |
In | A | 63 |
Потеря мощности на полюс, в зависимости от тока |
Pvid | W | 4.5 |
Потеря мощности оборудования, в зависимости от тока |
Pvid | W | 0 |
Статическая потеря мощности, не зависит от тока |
Pvs | W | 0 |
Способность отдавать потери мощности |
Pve | W | 0 |
Мин. рабочая температура |
°C | -25 | |
Макс. рабочая температура |
°C | 50 | |
Проверка конструкции IEC/EN 61439 |
|||
10.2 твёрдость материалов и деталей |
|||
10.2.2 Коррозионная стойкость |
Требования производственного стандарта выполнены. | ||
10.2.3.1 Нагревостойкость изоляции |
Требования производственного стандарта выполнены. | ||
10.2.3.2 Сопротивление изоляционных материалов при обычном нагреве |
Требования производственного стандарта выполнены. | ||
10.2.3.3 Сопротивление изоляционных материалов при сильном нагреве |
Требования производственного стандарта выполнены. | ||
10.2.4 Устойчивость к ультрафиолетовому излучению |
Устойчивость к УФ-излучению только при наличии защитной крыши. | ||
10.2.5 Подъём |
Не имеет значения, поскольку необходимо оценить всё коммутационное оборудование. | ||
10.2.6 Испытание на удар |
Не имеет значения, поскольку необходимо оценить всё коммутационное оборудование. | ||
10.2.7 Ярлыки |
Требования производственного стандарта выполнены. | ||
10.3 Класс защиты изоляции |
Не имеет значения, поскольку необходимо оценить всё коммутационное оборудование. | ||
10.4 Воздушные промежутки и пути утечки тока |
Требования производственного стандарта выполнены. | ||
10.5 Защита от удара электрическим током |
Не имеет значения, поскольку необходимо оценить всё коммутационное оборудование. | ||
10.6 Монтаж оборудования |
Не имеет значения, поскольку необходимо оценить всё коммутационное оборудование. | ||
10.7 Внутренние электрические цепи и соединения |
Находится в сфере ответственности компании, монтирующей распределительные устройства. | ||
10.8 Подключения проводов, введённых снаружи |
Находится в сфере ответственности компании, монтирующей распределительные устройства. | ||
10.9 Свойства изоляции |
|||
10.9.2 Электрическая прочность при рабочей частоте |
Находится в сфере ответственности компании, монтирующей распределительные устройства. | ||
10.9.3 Прочность по отношению к импульсному напряжению |
Находится в сфере ответственности компании, монтирующей распределительные устройства. | ||
10.9.4 Проверка оболочек кабелей из изолирующего материала |
Находится в сфере ответственности компании, монтирующей распределительные устройства. | ||
10.10 Нагрев |
Расчёт параметров нагрева находится в сфере ответственности компании, монтирующей распределительные устройства. Компания Eaton указывает данные по потере мощности устройств. | ||
10.11 Стойкость к коротким замыканиям |
Находится в сфере ответственности компании, монтирующей распределительные устройства. Соблюдать указания для коммутационных устройств. | ||
10.12 Электромагнитная совместимость |
Находится в сфере ответственности компании, монтирующей распределительные устройства. Соблюдать указания для коммутационных устройств. | ||
10.13 Механическая функция |
Для устройства требования считаются выполненными, если были соблюдены данные инструкции по монтажу (IL). |
| Low-voltage industrial components (EG000017) / Switch disconnector (EC000216) | |||
| Electric engineering, automation, process control engineering / Low-voltage switch technology / Off-load switch, circuit breaker, control switch / Switch disconnector (ecl@ss8.1-27-37-14-03 [AKF060010]) | |||
Version as main switch |
No | ||
Version as maintenance-/service switch |
No | ||
Version as safety switch |
No | ||
Version as emergency stop installation |
No | ||
Version as reversing switch |
No | ||
Max. rated operation voltage Ue AC |
V | 690 | |
Rated operating voltage |
V | 690 - 690 | |
Rated permanent current Iu |
A | 63 | |
Rated permanent current at AC-21, 400 V |
A | 63 | |
Rated operation power at AC-3, 400 V |
kW | 22 | |
Rated short-time withstand current lcw |
kA | 1.3 | |
Rated operation power at AC-23, 400 V |
kW | 30 | |
Switching power at 400 V |
kW | 30 | |
Conditioned rated short-circuit current Iq |
kA | 2 | |
Number of poles |
0 | ||
Number of auxiliary contacts as normally closed contact |
0 | ||
Number of auxiliary contacts as normally open contact |
0 | ||
Number of auxiliary contacts as change-over contact |
0 | ||
Motor drive optional |
No | ||
Motor drive integrated |
No | ||
Voltage release optional |
No | ||
Device construction |
Built-in device fixed built-in technique | ||
Suitable for ground mounting |
Yes | ||
Suitable for front mounting 4-hole |
No | ||
Suitable for front mounting center |
No | ||
Suitable for distribution board installation |
No | ||
Suitable for intermediate mounting |
Yes | ||
Colour control element |
Black | ||
Type of control element |
Toggle | ||
Interlockable |
No | ||
Type of electrical connection of main circuit |
Screw connection | ||
Degree of protection (IP), front side |
IP65 |
Банковский перевод: счет на оплату формируется после оформления заказа или отправки заявки в произвольной форме на электронную почту info@euro-avtomatika.ru. Специалист свяжется с вами для уточнения деталей.
Самовывоз с нашего склада:
По адресу: Московская область, Люберецкий район, п. Томилино, мкр. Птицефабрика, стр. лит. А, офис 109. Мы есть на Яндекс.Карты.
Доставка до двери
Осуществляется курьерской службой или транспортной компанией (на Ваш выбор).
Мы работаем с ведущими транспортными компаниями и доставляем заказы во все регионы России и Казахстана.
Доставка до терминала
Транспортной компании в Москва – БЕСПЛАТНО.
