Ассортимент |
Силовые разъединители | ||
Защитная функция |
Силовые разъединители / главные выключатели | ||
Стандарт/сертификат |
IEC | ||
Метод монтажа |
Фиксированная установка | ||
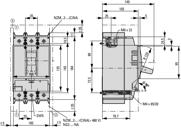
Типоразмер |
LN2 | ||
Описание |
Свойства главного переключателя, включая необходимость согласно IEC/EN 60204 и VDE 0113. Характеристики разъединителей согласно IEC/EN 60947-3 и VDE 0660. Защита от прикосновения согласно VDE 0160 часть 100. |
||
Количество полюсов |
3-полюсн. | ||
Стандартное оснащение |
Винтовое соединение | ||
Коммутационные положения |
I, +, 0 | ||
Расчетный рабочий ток = измеренный ток длительной нагрузки |
In = Iu | A | 200 |
Защита от короткого замыкания макс. предохранитель gL |
A gL | 250 |
| Силовые разъединители | |||
Номинальная устойчивость к импульсу |
Uimp | ||
Цепи главного тока |
В | 8000 | |
Цепи вспомогательного тока |
В | 6000 | |
Номинальное напряжение |
Ue | В перем. тока | 690 |
Расчетная частота эксплуатации |
f | Гц | 50/60 |
Расчетный рабочий ток = измеренный ток длительной нагрузки |
In = Iu | A | 200 |
Категория перенапряжения / степень загрязнения |
III/3 | ||
Номинальные выдерживаемые напряжения изоляции |
Ui | В | 690 |
Применение в незаземлённых сетях |
В |
|
|
| Расчетный ток короткого замыкания при включении | |||
690 B 50/60 Гц |
Icm | кА | 5.5 |
| Номинальная устойчивость к токовым нагрузкам при коротком замыкании | |||
t = 0,3 с |
Icw | кА | 3.5 |
t = 1 с |
Icw | кА | 3.5 |
| условный расчетный ток короткого замыкания | |||
с входным предохранителем |
A gG/gL | PN2(N2)-160…250: 250 | |
400/415 В |
кА | 100 | |
690 В |
кА | 80 | |
с поствключённым предохранителем |
A gG/gL | PN2(N2)-160…250: 250 | |
400/415 В |
кА | 100 | |
690 В |
кА | 80 | |
| Расчетная включающая и отключающая способность | |||
Расчетный рабочий ток |
Ie | A | |
415 В |
Ie | A | 250 |
690 В |
Ie | A | 250 |
415 В |
Ie | A | 250 |
690 В |
Ie | A | 250 |
Механический срок службы |
Переключения | 20000 | |
макс. частота коммутаций |
S/h | 120 | |
| Электрический срок службы | |||
400 B 50/60 Гц |
Переключения | 10000 | |
415 B 50/60 Гц |
Переключения | 10000 | |
690 B 50/60 Гц |
Переключения | 7500 | |
400 B 50/60 Гц |
Переключения | 7500 | |
415 B 50/60 Гц |
Переключения | 7500 | |
690 B 50/60 Гц |
Переключения | 5000 | |
Общее время отказа при коротком замыкании |
мс | < 10 | |
| Поперечные сечения соединения | |||
Стандартное оснащение |
Винтовое соединение | ||
Провода круглого сечения Cu |
|||
Столбчатый зажим |
|||
одножильный |
мм2 |
1 x (4 - 16) 2 x (4 - 16) |
|
многожильный |
мм2 |
1 x (25 - 185) 2 x (25 - 70) |
|
Тоннельная клемма |
|||
одножильный |
мм2 | 1 x (16 - 185) | |
многожильный |
мм2 | ||
1 отверстие |
мм2 | 1 x (25 - 185) | |
Винтовое соединение и подключение с задней стороны |
|||
непосредственно на переключателе |
|||
одножильный |
мм2 |
1 x (4 - 16) 2 x (4 - 16) |
|
многожильный |
мм2 |
1 x (25 - 185) 2 x (25 - 70) |
|
Ал. провода, мед. кабели |
|||
одножильный |
мм2 | 1 x 16 | |
многожильный |
мм2 | ||
многожильный |
мм2 | 1 x (25 - 185) | |
Винтовое соединение и подключение с задней стороны |
|||
Медная полоса, перфорированная |
мин. | мм | 2 x 16 x 0,8 |
Медная полоса, перфорированная |
макс. | мм | 10 x 16 x 0,8 |
Медная полоса (количество сегментов x ширина x толщина сегмента) |
|||
Столбчатый зажим |
|||
| мин. | мм | 2 x 9 x 0.8 | |
| макс. | мм | 10 x 16 x 0.8 | |
Винтовое соединение и подключение с задней стороны |
|||
Медная полоса, перфорированная |
мин. | мм | 2 x 16 x 0,8 |
Медная полоса, перфорированная |
макс. | мм | 10 x 16 x 0,8 |
Медная шина (ширина x толщина) |
мм | ||
Винтовое соединение и подключение с задней стороны |
|||
Винтовое соединение |
M8 | ||
непосредственно на переключателе |
|||
| мин. | мм | 16 x 5 | |
| макс. | мм | 20 x 5 | |
Управляющие провода |
|||
| мм2 |
1 x (0,75 - 2,5) 2 x (0,75 - 1,5) |
Технические характеристики для подтверждения типа конструкции |
|||
Номинальный ток для указания потери мощности |
In | A | 200 |
Потеря мощности оборудования, в зависимости от тока |
Pvid | W | 30.72 |
Проверка конструкции IEC/EN 61439 |
|||
10.2 твёрдость материалов и деталей |
|||
10.2.2 Коррозионная стойкость |
Требования производственного стандарта выполнены. | ||
10.2.3.1 Нагревостойкость изоляции |
Требования производственного стандарта выполнены. | ||
10.2.3.2 Сопротивление изоляционных материалов при обычном нагреве |
Требования производственного стандарта выполнены. | ||
10.2.3.3 Сопротивление изоляционных материалов при сильном нагреве |
Требования производственного стандарта выполнены. | ||
10.2.4 Устойчивость к ультрафиолетовому излучению |
Требования производственного стандарта выполнены. | ||
10.2.5 Подъём |
Не имеет значения, поскольку необходимо оценить всё коммутационное оборудование. | ||
10.2.6 Испытание на удар |
Не имеет значения, поскольку необходимо оценить всё коммутационное оборудование. | ||
10.2.7 Ярлыки |
Требования производственного стандарта выполнены. | ||
10.3 Класс защиты изоляции |
Не имеет значения, поскольку необходимо оценить всё коммутационное оборудование. | ||
10.4 Воздушные промежутки и пути утечки тока |
Требования производственного стандарта выполнены. | ||
10.5 Защита от удара электрическим током |
Не имеет значения, поскольку необходимо оценить всё коммутационное оборудование. | ||
10.6 Монтаж оборудования |
Не имеет значения, поскольку необходимо оценить всё коммутационное оборудование. | ||
10.7 Внутренние электрические цепи и соединения |
Находится в сфере ответственности компании, монтирующей распределительные устройства. | ||
10.8 Подключения проводов, введённых снаружи |
Находится в сфере ответственности компании, монтирующей распределительные устройства. | ||
10.9 Свойства изоляции |
|||
10.9.2 Электрическая прочность при рабочей частоте |
Находится в сфере ответственности компании, монтирующей распределительные устройства. | ||
10.9.3 Прочность по отношению к импульсному напряжению |
Находится в сфере ответственности компании, монтирующей распределительные устройства. | ||
10.9.4 Проверка оболочек кабелей из изолирующего материала |
Находится в сфере ответственности компании, монтирующей распределительные устройства. | ||
10.10 Нагрев |
Расчёт параметров нагрева находится в сфере ответственности компании, монтирующей распределительные устройства. Компания Eaton указывает данные по потере мощности устройств. | ||
10.11 Стойкость к коротким замыканиям |
Находится в сфере ответственности компании, монтирующей распределительные устройства. Соблюдать указания для коммутационных устройств. | ||
10.12 Электромагнитная совместимость |
Находится в сфере ответственности компании, монтирующей распределительные устройства. Соблюдать указания для коммутационных устройств. | ||
10.13 Механическая функция |
Для устройства требования считаются выполненными, если были соблюдены данные инструкции по монтажу (IL). |
| Low-voltage industrial components (EG000017) / Switch disconnector (EC000216) | |||
| Electric engineering, automation, process control engineering / Low-voltage switch technology / Off-load switch, circuit breaker, control switch / Switch disconnector (ecl@ss8.1-27-37-14-03 [AKF060010]) | |||
Version as main switch |
Yes | ||
Version as maintenance-/service switch |
Yes | ||
Version as safety switch |
No | ||
Version as emergency stop installation |
Yes | ||
Version as reversing switch |
No | ||
Max. rated operation voltage Ue AC |
V | 400 | |
Rated operating voltage |
V | 690 - 690 | |
Rated permanent current Iu |
A | 200 | |
Rated permanent current at AC-21, 400 V |
A | 0 | |
Rated operation power at AC-3, 400 V |
kW | 0 | |
Rated short-time withstand current lcw |
kA | 3.5 | |
Rated operation power at AC-23, 400 V |
kW | 110 | |
Switching power at 400 V |
kW | 0 | |
Conditioned rated short-circuit current Iq |
kA | 100 | |
Number of poles |
3 | ||
Number of auxiliary contacts as normally closed contact |
0 | ||
Number of auxiliary contacts as normally open contact |
0 | ||
Number of auxiliary contacts as change-over contact |
0 | ||
Motor drive optional |
Yes | ||
Motor drive integrated |
No | ||
Voltage release optional |
Yes | ||
Device construction |
Built-in device fixed built-in technique | ||
Suitable for ground mounting |
Yes | ||
Suitable for front mounting 4-hole |
No | ||
Suitable for front mounting center |
No | ||
Suitable for distribution board installation |
Yes | ||
Suitable for intermediate mounting |
Yes | ||
Colour control element |
Grey | ||
Type of control element |
Rocker lever | ||
Interlockable |
Yes | ||
Type of electrical connection of main circuit |
Screw connection | ||
Degree of protection (IP), front side |
IP20 |
Банковский перевод: счет на оплату формируется после оформления заказа или отправки заявки в произвольной форме на электронную почту info@euro-avtomatika.ru. Специалист свяжется с вами для уточнения деталей.
Самовывоз с нашего склада:
По адресу: Московская область, Люберецкий район, п. Томилино, мкр. Птицефабрика, стр. лит. А, офис 109. Мы есть на Яндекс.Карты.
Доставка до двери
Осуществляется курьерской службой или транспортной компанией (на Ваш выбор).
Мы работаем с ведущими транспортными компаниями и доставляем заказы во все регионы России и Казахстана.
Доставка до терминала
Транспортной компании в Москва – БЕСПЛАТНО.