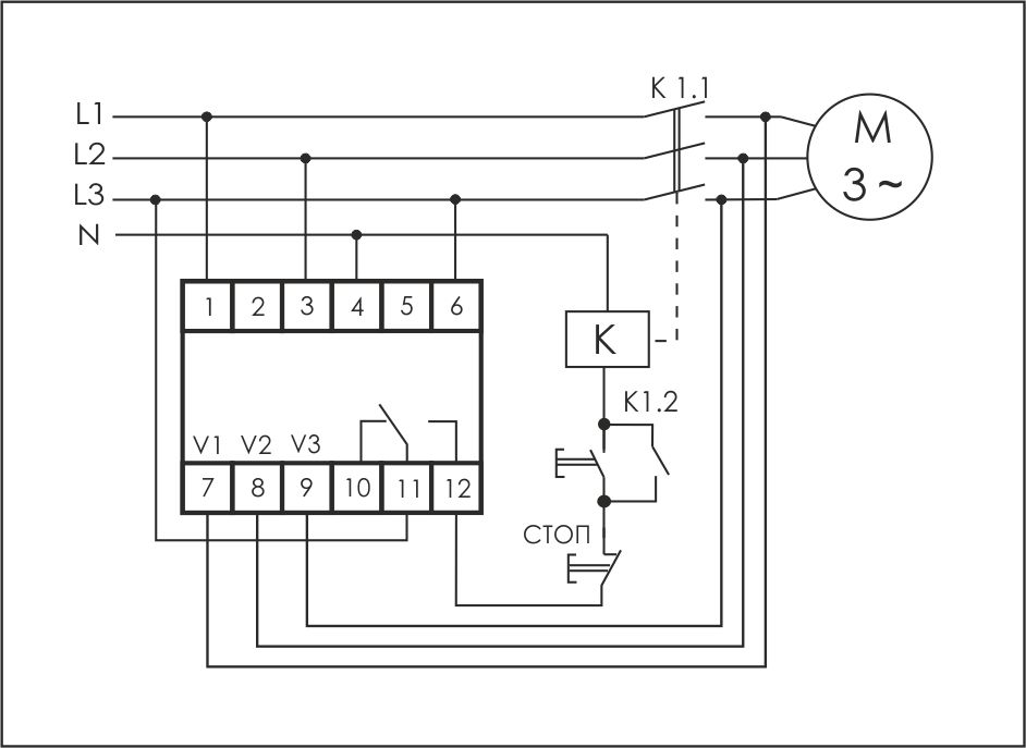
CKF-2BT предназначено для контроля состояния параметров 3-х фазной сети питания, контактов исполнительных механизмов (контакторов, выключателей и т.п.), линии питания нагрузки и защиты электрооборудования от аварийных режимов работы.
Принцип работыПереключателем устанавливается один из 4-х режимов работы. После подачи питания, если параметры сети в допустимых пределах, контакты 11-12 замыкаются. Нагрузка подключается к сети питания. После включения нагрузки контролируется состояние контактов. Если разность напряжений ∆U между входными (L1-L3) и выходными зажимами (V1-V3) превышает допустимое значение, через 12 сек контакты 11-12 размыкаются, и нагрузка отключается. Включение нагрузки возможно только после снятия питания и устранения неисправности. При выходе параметров сети за допустимые пределы по истечении времени задержки срабатывания реле выключается. При возвращении параметров сети в норму по истечении времени включения контакты 11-12 замыкаются, и нагрузка подключается к сети питания.
Отличительные особенности:- контроль наличия фаз;
| Артикул | EA04.003.005 |
| Код ETIM | EC001441 |
| Напряжение питания | 3x400/230 B +N; 50 Гц |
| Допустимые напряжения Uфmax/Uфmin | 400 В / 50 В |
| Максимальный ток контактов реле | 2х8 А АС1 / 250В |
| Максимальный ток катушки контактора | 2 А |
| Контакт | 1NO/NC |
| Сигнализация включения нагрузки | желтый светодиод |
| Сигнализация аварии контактора | красный светодиод |
| Напряжение отключения: | |
| при падении напряжения в фазах | 160 В |
| при повышении напряжения в фазах | 265 В |
| Асимметрия напряжения | 20-80 В |
| Падение напряжения на контактах | 0,8-20В |
| Задержка отключения (При напряжении менее 120 и более 300 В время отключения — не более 0,05 с) | |
| при падении напряжения | 0,5-15 с |
| при повышении напряжения | 0,5 с |
| при асимметрии | 0,5-15 с |
| при аварии контактов | 12 с |
| Гистерезис | 5 В |
| Потребляемая мощность | 1,6 Вт |
| Диапазон рабочих температур | от -25 до +50°С |
| Степень защиты | IР20 |
| Коммутационная износостойкость | >100000 циклов |
| Степень загрязнения среды | 2 |
| Категория перенапряжения | III |
| Габариты (ШхВхГ) | 18х90х65 мм |
| Подключение | винтовые зажимы 2,5 мм² |
| Тип корпуса (см. Приложение 1) | 1S |
| Масса | 73 г |
| Монтаж | на DIN-рейке 35 мм |
Банковский перевод: счет на оплату формируется после оформления заказа или отправки заявки в произвольной форме на электронную почту info@euro-avtomatika.ru. Специалист свяжется с вами для уточнения деталей.
Самовывоз с нашего склада:
По адресу: Московская область, Люберецкий район, п. Томилино, мкр. Птицефабрика, стр. лит. А, офис 109. Мы есть на Яндекс.Карты.
Доставка до двери
Осуществляется курьерской службой или транспортной компанией (на Ваш выбор).
Мы работаем с ведущими транспортными компаниями и доставляем заказы во все регионы России и Казахстана.
Доставка до терминала
Транспортной компании в Москва – БЕСПЛАТНО.